Integration is the Watchword in Today’s RF Front Ends
This article is part of the TechXchanges: RFICs and MMICs, Defense Electronics, and 5G Infrastructure.
Members can download this article in PDF format.
What you’ll learn:
- Modern RF FEMs go a long way toward meeting SWaP requirements.
- High levels of integration endow RF MMICs with enhanced functionality.
- Frequency ranges for these devices are reaching into the mmWave bands.
Front-end (FE) assemblies once required an area the size of a shoebox and comprised the amplifiers, filters, mixers, and oscillators needed for RF/microwave radios. Newer RF FEs fit smaller spaces with increased functionality and performance, employing integrated circuits (ICs) and multichip modules (MCMs). They serve growing numbers of applications, ranging from automated factories and healthcare to telecommunications networks and vehicular systems.
Led by military and aerospace efforts for achieving electronic products with reduced size, weight, and power (SWaP), RF front-end modules (FEMs) and ICs are helping transfer high-frequency signals from antennas to receivers and transmitters in smaller packages to accommodate increasing numbers of users whether for casual or critical requirements.
Less semiconductor-dominated RF/microwave FE designs have employed discrete components, such as amplifiers, mixers, and local oscillators (LOs), for conversion of signal frequencies between RF/microwave spectrum and intermediate frequencies (IFs) as part of an analog radio architecture. Components were linked by coaxial connectors and cables at RF/microwave frequencies. When required for higher frequencies and/or power levels, waveguides would connect components.
But improving semiconductor technologies have enabled smaller, more integrated radio components. RF FE components now incorporate several functions and work in several frequency bands. They enable high-frequency radios to be fashioned from a few ICs or multichip modules (MCMs).
The choice of ICs and modules determines key radio performance levels, such as receiver gain/sensitivity and transmitter output power. FEMs and ICs provide the functions and performance levels needed for practical RF/microwave/mmWave radio solutions across many markets.
Analog FE components and ICs are essential for RF/microwave radio design, with smaller devices enabling widespread use of wireless technology. FEMs and ICs typically provide the amplification, filtering, and switching needed for channel frequencies and bandwidths of interest, with smaller devices enabling the development of compact, power-efficient radio designs.
Integration of key radio functions into a single device supports a modular design approach. Therefore, other essential system functions, such as analog-to-digital converters (ADCs) and digital-to-analog converters (DACs), can be selected and optimized for best system performance.
Inspecting SWaP-Friendly ICs
Application bandwidths vary widely, with traditional electronic-warfare (EW) systems among the widest, from 6 to 18 GHz. Through semiconductor integration, RF FEMs and ICs can shrink and simplify those systems, in keeping with the latest demands for reduced SWaP electronic equipment defense systems.
As an example, the ADTR1107 is a FE IC from Analog Devices that covers 6 to 18 GHz. The IC integrates a power amplifier (PA) for transmission; a low-noise amplifier (LNA) for reception; and a reflective single-pole, double-throw (SPDT) switch to choose signal paths.
It’s housed within a 24-terminal, 5- × 5-mm land-grid-array (LGA) package. Input and output terminals are internally matched to 50 Ω to simplify installation on high-frequency printed circuit boards (PCBs). The FE IC operates on +3.3- and +5.0-V DC supplies and helps manage phased-array antennas in wideband radar systems (Fig. 1).
The ADTR1107’s small size doesn’t compromise its performance. The PA provides +25-dBm saturated output power and +23-dBm output power at 1-dB compression (P1dB); typical small-signal gain is 21.5 dB with ±0.8-dB gain flatness across the full frequency range. The LNA delivers small-signal gain of 17.5 dB with typical gain flatness of ±0.6 dB; the typical full-band noise figure is 2.5 dB.
The integrated SPDT switch rapidly selects between the transmit and receive signal paths, with typical rise/fall time of 2 ns, turn-on/turn-off time of 10 ns or less, and 17 ns time to settle within 0.1 dB of the final selected PA or LNA output level. The miniature package incorporates a broadband directional coupler for power detection and measurements.
For radio designers needing less bandwidth, the QPM1002 from Qorvo is a transmit/receive (T/R) FEM fabricated on GaN-on-SiC (gallium nitride on silicon carbide) technology for use in X-band radars from 8.5 to 10.5 GHz. The monolithic microwave integrated circuit (MMIC) FEM combines an LNA, PA, and T/R switch within a 5.0- × 5.0-mm, surface-mount QFN package (Fig. 2).
The LNA contributes to receive-path gain of typically 24.5 dB with 2.2-dB noise figure and +16-dBm saturated output power. The PA adds a transmit signal path with typical small-signal gain of 33 dB, large-signal gain of 25 dB, and pulsed saturated output power of +34.5 dBm. The PA has typical power-added efficiency (PAE) of 32%. Because the FEM IC can handle antenna-port input power levels to 2 W (+33 dBm), it’s able to deal with large signals without a limiter.
For less bandwidth in a larger package, Qorvo’s QPM2637 FEM also serves X-band communications, radar, and EW applications, but from 9.0 to 10.5 GHz. The device, which combines an LNA, PA, and T/R switch using GaN-on-SiC technology, handles antenna input signals to 4 W, so there’s even less need for a limiter.
The QPM2637’s receive path has two output ports, each with 21-dB gain and 2.7-dB typical noise figure, while the transmit path provides 23-dB large-signal gain with as much as 4-W typical saturated output power. The T/R switch selects signal paths with typical 5-ns rise time and 35 ns or better fall time. The FEM is housed in a surface-mount package measuring 6.0 × 5.0 × 1.8 mm, complete with internal heat slug for enhanced thermal conductivity.
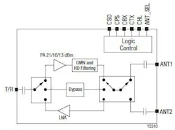
For lower-frequency wireless communications, the SKY66112-11 from Skyworks Solutions is an RF FEM designed for commercial 2.4-GHz links, such as Bluetooth, Wi-Fi, and Zigbee (2,400 to 2,483 MHz). With a control and supply voltage range of +1.8 to +3.6 V DC for flexibility in battery-powered applications, the FEM allows RF inputs to be switched from a bypass path to a PA path or an LNA path (Fig. 3). Typical turn-on time for selecting a path is 800 ns.
The bypass path suffers 2-dB typical loss while the transmit path provides an antenna port with +20-dBm typical output power and 22-dB saturated gain. The receive path offers 11-dB gain with 2-dB typical noise figure. Designated an environmentally safe, halogen-free Skyworks Green product, the 2.4-GHz FEM is supplied in a 22-pin MCM package measuring 3.5 × 3.0 × 1.0 mm with an operating temperature range of −40 to +85°C (Fig. 4).
Extending the 2.4-GHz starting point, Analog Devices’ ADRF5545A is a dual-channel receiver FE that works from 2.4 to 4.2 GHz with time-division-duplex (TDD) modulation. Ideal for wireless infrastructure equipment and TDD-based communications systems, it integrates two signal paths, each with two LNA stages and SPDT switch.
Featuring on-chip bias and impedance-matching circuitry, the receiver FE is supplied in a 40-lead, RoHS-compliant LFCSP housing measuring 6 × 6 mm with simple, single-supply operation. When both LNA stages are powered in high-gain mode, the gain is 32 dB at 3.6 GHz with a noise figure of 1.45 dB and typical output third-order intercept point of +32 dBm. With just one LNA stage powered in low-gain mode, the gain drops to 16 dB but with lower power consumption while maintaining the 1.45-dB typical noise figure.
For higher-frequency wireless connections, the SKY-85798-11 from Skyworks Solutions integrates a 6-GHz LNA with bypass mode, a 6-GHz SPDT T/R switch, and a nonlinear PA into a FEM for Wi-Fi 7 networking systems and set-top boxes operating from 5.925 to 7.125 GHz. The RF FEM’s 24-pin, 3- × 5-mm LGA package is matched at input and output ports to 50 Ω to simplify installation onto PCBs.
In addition to the FEM IC components, the miniature package includes a temperature-compensated, logarithmic power detector for closed-loop power control. The device boosts next-generation, 6-GHz Wi-Fi signals with 15-dB typical receive gain across the 1200-MHz bandwidth.
Broadcom also offers FEMs for higher-frequency Wi-Fi systems, including Wi-Fi 6 and 7. The company’s FiFEM devices integrate thin-film bulk-acoustic-resonator (FBAR) filters with PAs to achieve enhanced coverage in routers, residential gateways, and access points without interference between Wi-Fi 5- and 6-GHz networks. The devices come in miniature 3- × 5-mm FEM packages.
Moving to mmWaves
As bandwidth is consumed by wireless communications, control, and other applications at RF and microwave frequencies, radios must seek reduced SWaP solutions as they reach into the millimeter-wave frequency range of 30 to 300 GHz.
Just below that range, the MAMF-011099 from MACOM Technology Solutions Inc. also integrates a PA, LNA, directional coupler, switch, and switch driver into a T/R FEM, but it targets frequencies from 24.25 to 29.50 GHz as in 5G wireless cellular communications networks. It can be used as a FEM for an antenna, antenna arrays, or connected to multichannel antenna beamformer ICs. The FEM’s multiple MMIC devices fit within a lead-free, RoHS-compliant, 40-lead AQFN package measuring 6.5 × 6.5 mm.
The T/R FEM, which runs on −5- and +5-V DC supplies, requires a precise biasing sequence to avoid damage to the multiple MMICs. The LNA contributes to typical receive-path gain of 24 dB from 24.25 to 29.50 GHz and receive noise figure of 3.8 dB; typical receive path input/output return loss is 10 dB. The PA provides a typical transmit gain of 21 dB and P1dB of +27 dBm. The transmit third-order intercept (IP3) is typically +31 dBm from 24.25 to 27.50 GHz and typically +33 dBm from 27.50 to 29.50 GHz.
At higher frequencies, Qorvo’s QPF4005 FEM is suited for 39-GHz, 5G phased-array base stations and network terminals. The dual-channel GaN-on-SiC device combines an LNA, PA, and T/R switch on each channel. It operates from 37.0 to 40.5 GHz with better than 15-dB gain and 4.5-dB noise figure on the receive path and +33-dBm (2 W) saturated output power with 18-dB small-signal gain on each transmit path.
Multiple MMICs are housed in a 4.5- × 6.0- × 1.8-mm, surface-mount air-cavity laminate package with internal copper heat slug for reliable thermal management over a temperature range of −40 to +95°C. The multiple-MMIC device is well-matched to 50 Ω, with typical input return loss of 12 dB and typical output return loss of 15 dB across the 3.5-GHz bandwidth.
As commercial wireless communications consume bandwidth and move higher in frequency, wireless networks such as 5G will require FEMs at higher frequencies. Some, such as the FE MMICs developed by pSemi, a Murata company, for the mmWave and near-mmWave portions of 5G cellular wireless networks, are supplied without packages, in tape-and-die form as chips.
The FEMs are well-suited for 5G base stations, 5G customer premises equipment (CPE), and point-to-point radios. They integrate LNAs, PAs, phase shifters, and switches onto a single die to serve as beamforming FEs for 5G antenna arrays with as many as 1024 elements.
As an example, the PE188100 eight-channel beamforming FE MMIC covers the n258 frequency spectrum of 5G networks, from 24.25 to 27.50 GHz. It contains two independently controllable RF signal chains, each with four channels, to control eight single-polarity antennas or four dual-polarity antennas. Also included are high-speed time-division-duplex (TDD) switches for choosing between LNA and PA signal chains.
The analog ICs do contain digital circuitry, with enough memory to retain instructions for over 500 antenna beams as well as precise 6-bit attenuation control and 8-bit phase control of the signal paths. The firm’s PE188200 eight-channel beamforming FE die provides the same functionality across the 5G n257 band from 26.5 to 29.5 GHz.
Qualcomm, which has a wide range of FEMs combining amplifiers, filters, and switches into a miniature package, offers Wi-Fi FEMs for automotive and wireless infrastructure applications, including for Wi-Fi 7 connectivity. The company also offers its SnapDragon line of antenna FEMs that function across mmWave frequencies.
Anokiwave, well known for its active antenna ICs, has also developed a dual-channel intermediate-frequency (IF) FE with frequency upconversion and downconversion for applications from 24.25 to 29.50 GHz.
Its AWMF-0224 half-duplex radio IC, which can be used with an external phase-locked loop (PLL) and signal source as well, integrates an LO frequency synthesizer (Fig. 5). It combines a dual single-sideband (SSB) upconversion transmitter circuit with dual downconversion image-reject receiver circuitry. An on-chip frequency multiplier simplifies installation onto crowded PCBs.
At higher frequencies, the firm offers the AWFM-0196, a dual-channel IF transceiver upconversion/downconversion IC for 37.0 to 48.2 GHz. Also a half-duplex FE, it includes an LO synthesizer and frequency multiplier and supports radios with dual polarization. The IF FE devices come in compact FC-CSP packages.
Even higher mmWave frequencies will be at work in many other applications beyond 5G. Automotive collision-avoidance systems have employed 77-GHz radar signals for some time and autonomous control systems in commercial, industrial, and military vehicles are expected to occupy more and higher frequencies. High-frequency FE devices will be needed for vehicle-to-vehicle (V2V) communications and mmWave safety radars.
However, many more automotive electronic applications are on the way, with major semiconductor suppliers such as NXP Semiconductors exploring the use of mmWave radio technology for child-presence-detection (CPD) systems. Such electronic systems are designed to alert a user for signs of life in the back of a vehicle, e.g., a child hiding in a backseat or locked in a trunk. The short wavelengths and open spectrum of mmWave frequencies are ideal for the short-range radios used in CPD systems.
Read more articles in the TechXchanges: RFICs and MMICs, Defense Electronics, and 5G Infrastructure.
About the Author
Jack Browne
Technical Contributor
Jack Browne, Technical Contributor, has worked in technical publishing for over 30 years. He managed the content and production of three technical journals while at the American Institute of Physics, including Medical Physics and the Journal of Vacuum Science & Technology. He has been a Publisher and Editor for Penton Media, started the firm’s Wireless Symposium & Exhibition trade show in 1993, and currently serves as Technical Contributor for that company's Microwaves & RF magazine. Browne, who holds a BS in Mathematics from City College of New York and BA degrees in English and Philosophy from Fordham University, is a member of the IEEE.

Leaders relevant to this article:





