Highly Configurable RF Platform Supports Increased Capacity, Functional Modes
The apparently insatiable appetite for additional wireless capacity within the available spectrum is driving the demand for more and smaller cells. To address this need (as well as other applications), Analog Devices is introducing what it calls a mixed-signal front-end (MxFE) RF data-converter platform. It combines high-performance analog processing with digital signal for 4G LTE and E-band 5G mmWave radios, broadband systems, and even phased-array radar, electronic warfare, and test-and-measurement systems.
The MxFE platform embeds digital-signal-processing (DSP) functions on-chip so that the user can configure the programmable filters and digital up- and down-conversion blocks to meet specific radio-signal bandwidth requirements. The high level of integration lowers chip count and results in a 60% reduction in PCB area compared to alternative devices.
As a major added benefit, the configuration yields a 10X reduction in power dissipation, when contrasted to architectures that use the system FPGA for RF conversion and filtering. Commensurate benefits are due to newly available FPGA resources, or the option to use a smaller, less expensive FPGA.
“Cell towers are nearing saturation based on the number of antennas they must support, and our customers want lighter-weight, multiband radios that fit into today’s radio form factor,” says Kimo Tam, general manager, High-Speed Mixed-Signal group, Analog Devices. “They are also asking for software-defined RF platforms with the configurability and scalability to enable one platform to be used across multiple geographies and use cases.”
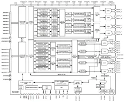
The AD9081 integrates eight RF data converters (six for the similar AD9802), enabling designers to upgrade to multiple wireless radios from single-band units in the same footprint (see figure). This results in an increase in call capacity of up to 3X for 4G LTE stations. Both devices offer what’s claimed to be industry’s widest instantaneous-signal bandwidth (up to 2.4 GHz), which simplifies hardware design by reducing the number of frequency-translation stages while also relaxing filter requirements.
The block diagram of Analog Devices’ AD9801 MxFE RF data-converter platform shows the high level of ADC, DAC, and related functional integration.
The AD9081 has flexible interpolation/decimation configurations that enable direct-to-RF multiband radio applications. It supports four transmitter channels and four receiver channels with a 4D4A configuration via a 16-bit, 12-Gsample/s maximum sample-rate RF-DAC core and a 12-bit, 4-Gsample/s rate RF-ADC core.
In addition, the device supports a complex transmit input data rate up to 6 Gsamples/s and a receive output data rate (in single-channel mode) up to 4 Gsamples/s. Maximum radio band spacing supported in multichannel modes is 1.2 GHz. It also features a 16-lane, 24.75-Gbit/s JESD204C or 15.5-Gbit/s JESD204B data-transceiver port, an on-chip clock multiplier, and DSP capability targeted at single- and dual-band direct-to-RF radio applications.
Target dissipation for these ICs, housed in 324-lead thermally enhanced BGA packages, is between 6 and 7 W. Samples of the AD9081 (quad 12-bit 4-Gsample/s ADCs; quad 16-bit 12-Gsample/s DACs) are expected in September 2019 with full production in March 2020. Samples of the AD9082 (dual 12-bit 6-Gsample/s ADCs; quad 16-bit 12-Gsample/s DACs) are also expected in September, but full production is slated for a month earlier. Both devices will be priced in the $1,500 range (1,000-piece lots).
About the Author

Bill Schweber
Contributing Editor
Bill Schweber is an electronics engineer who has written three textbooks on electronic communications systems, as well as hundreds of technical articles, opinion columns, and product features. In past roles, he worked as a technical website manager for multiple topic-specific sites for EE Times, as well as both the Executive Editor and Analog Editor at EDN.
At Analog Devices Inc., Bill was in marketing communications (public relations). As a result, he has been on both sides of the technical PR function, presenting company products, stories, and messages to the media and also as the recipient of these.
Prior to the MarCom role at Analog, Bill was associate editor of their respected technical journal and worked in their product marketing and applications engineering groups. Before those roles, he was at Instron Corp., doing hands-on analog- and power-circuit design and systems integration for materials-testing machine controls.
Bill has an MSEE (Univ. of Mass) and BSEE (Columbia Univ.), is a Registered Professional Engineer, and holds an Advanced Class amateur radio license. He has also planned, written, and presented online courses on a variety of engineering topics, including MOSFET basics, ADC selection, and driving LEDs.

Leaders relevant to this article:


