Power Dividers Channel 4500 MHz
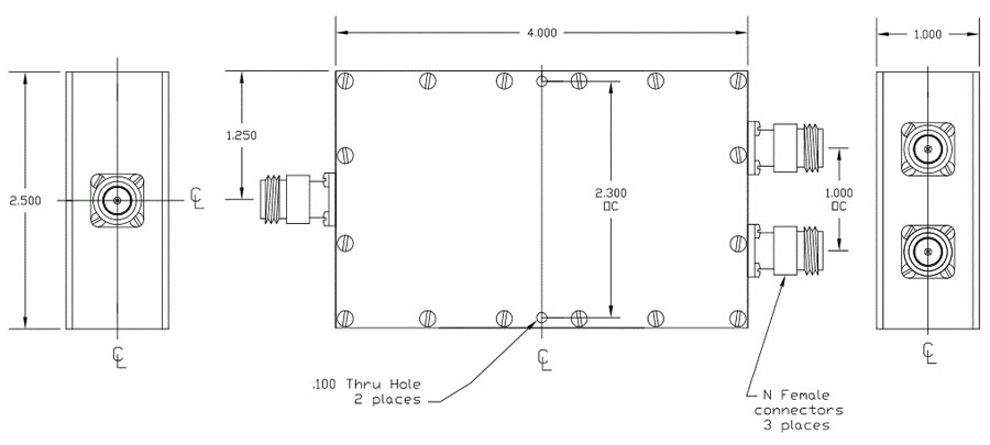
Two- and four-way power dividers—models 152-045-002 and 152-045-004, respectively—cover a frequency range of 500 to 4500 MHz. The insertion loss is only 1 to 2 dB above the nominal theoretical power split, depending upon the power divider configuration. These components provide 20-dB typical isolation between ports and offer 5-W average power-handling capability. The power dividers are suitable for a wide range of wireless and cellular-communications systems applications, including Long Term Evolution (LTE), code-division-multiple-access (CDMA), and Personal Communications Services (PCS) systems. A number of other configurations and connector types are available upon request.
BroadWave Technologies, 170 Airport Parkway, Ste. A, Greenwood, IN 46143; (317) 888-8316, FAX: (317) 888-8593
About the Author
Jack Browne
Technical Contributor
Jack Browne, Technical Contributor, has worked in technical publishing for over 30 years. He managed the content and production of three technical journals while at the American Institute of Physics, including Medical Physics and the Journal of Vacuum Science & Technology. He has been a Publisher and Editor for Penton Media, started the firm’s Wireless Symposium & Exhibition trade show in 1993, and currently serves as Technical Contributor for that company's Microwaves & RF magazine. Browne, who holds a BS in Mathematics from City College of New York and BA degrees in English and Philosophy from Fordham University, is a member of the IEEE.

