Chips Steer 77-GHz Automotive Radars
This file type includes high resolution graphics and schematics when applicable.
Millimeter-wave frequencies were once considered the realm of relatively exotic applications, most notably space exploration. These days, more and more designers are discovering that some of these frequencies are well suited for applications right here on the ground.
The latest of these is the model MR2001 high-performance 77-GHz radar transceiver chipset from Freescale Semiconductor, which embodies the front-end section for radar-based automotive safety systems at those high frequencies. The packaged front-end chip set can be teamed with the firm’s MPC577xK family of microcontrollers to create an automotive radar system capable of a wide range of safety functions—including adaptive cruise control (ACC), emergency braking systems, lane departure warning, and blind-spot detection—for cars of the present and future alike.
Growing use of 77-GHz signals in commercial vehicles can only make the roads safer as drivers are warned of impending trouble spots by these low-power, millimeter-wave signal reflecting off targets on and off the road. The MR2001 radar transceiver chipset is readily scalable for multiple-channel operation so that a single radar platform can perform a number of different functions, including long-, mid-, and short-range functions.
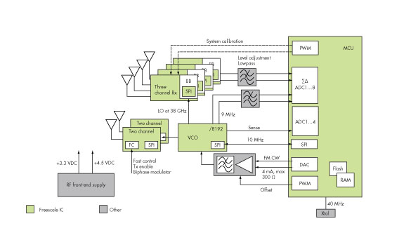
The MR2001 radar chipset (Fig. 1) consists of receiver, transmitter, and voltage-controlled-oscillator (VCO) devices which are scalable to support as many as 4 transmit and 12 receive channels. A typical radar module would combine the three MR2001 chips with a microcontroller, such as an MPC577xK unit. Millimeter-wave signals are generated with the aid of a 38-GHz on-board local oscillator (LO) produced by the VCO chip, which links the receiver and transmitter chips (Fig. 2). As the system diagram shows, the microcontroller unit (MCU) and its transmit and receive components are stabilized by means of a 40-MHz crystal clock oscillator.
Individual control of the chips is achieved by means of a serial peripheral interface (SPI) bus, with the MCU providing integrated analog-to-digital converters (ADCs) and additional signal-processing capabilities, such as fast Fourier transforms (FFTs). In addition to the SPI connections for each device, the transmit devices include biphase modulator circuitry while the receivers boast integrated baseband (BB) filters and variable-gain amplifier (VGAs).
Not only does the integration of these components simplify system design, it also helps to reduce bill-of-material (BOM) costs when desiging and implementing a 77-GHz automotive radar system. In spite of the advanced signal processing and comprehensive functionality, the three-chip 77-GHz radar transceiver solution achieves low power consumption of only 2.5 W for the entire transceiver.
The MR2001 radar chipset is housed within advanced packaging to limit consumption of space on an automotive printed-circuit board (PCB) and to minimize interference among different electronic devices when tightly packaged on a PCB within automotive applications. The 77-GHz radar devices are designed for the use of high-speed modulation techniques using simultaneous active transmit channels for excellent spatial resolution and high detection accuracy across a wide field of view.
Given the scalability and flexibility of these devices, it will not be surprising to see them make their way into the electronic safety systems of quite a few automobiles down the road.
Freescale Semiconductor, Inc., 6501 William Cannon Dr. W, Austin, TX 78735
This file type includes high resolution graphics and schematics when applicable.
About the Author
Jack Browne
Technical Contributor
Jack Browne, Technical Contributor, has worked in technical publishing for over 30 years. He managed the content and production of three technical journals while at the American Institute of Physics, including Medical Physics and the Journal of Vacuum Science & Technology. He has been a Publisher and Editor for Penton Media, started the firm’s Wireless Symposium & Exhibition trade show in 1993, and currently serves as Technical Contributor for that company's Microwaves & RF magazine. Browne, who holds a BS in Mathematics from City College of New York and BA degrees in English and Philosophy from Fordham University, is a member of the IEEE.




