This file type includes high resolution graphics and schematics when applicable.
Numerous diversity techniques are used in modern wireless systems to boost data throughput and enhance transmission reliability. Diversity techniques based on time, frequency, and codes are used to transmit signals to multiple users simultaneously and maximize the amount of transmitted data. By transmitting at different times, at different frequencies, or with different binary sequences known as Gold codes, signals can be differentiated from each other and received error-free. Such diversity techniques are well known and have been perfected over decades of use. They can also be applied to achieve antenna diversity or spatial diversity.
Antenna diversity uses multiple antennas to transmit or receive a signal. Simple antenna diversity employs the antenna combination with the best performance to decode the signal. More complex versions include multiple-input, multiple-output (MIMO) systems and beamforming applications, where multiple antennas are deployed at the transmitter and receiver to increase spatial diversity.
With multiple broadcasting antennas, it is critical to minimize timing variations (in the picosecond range) between the digital-to-analog converters (DACs) on each channel. This requires DACs that can be synchronized in order to simultaneously broadcast transmitted data. Once this is accomplished, a system can transmit identical data over multiple antennas to a common receiver, maximizing the likelihood of proper signal reception and minimizing the chance of dropping a signal from a transmitter.
Diversity Types
Communication systems handle multiple users by means of diversity. The most basic version involves the use of time diversity, such as time-division multiple-access (TDMA) technology, which transmits data to multiple users at different times. A receiver then simply waits for its assigned time slot and decodes the appropriate data. Frequency-division multiple-access (FDMA) works in much the same way, but in the frequency domain using different frequencies. Data is transmitted to different users on specified frequencies and a receiver decodes only the data for its assigned frequencies.
Other modern systems incorporate code-division multiple-access (CDMA) techniques in wireless systems, where transmitted data is convolved with a specific code before transmission. This code is then used at the receiver to decode the data specifically transmitted to that user. Since these diversity techniques are implemented in different domains, they can be used together in one system for maximum diversity.
Diversity techniques have been used in several generations of wireless protocols, with each iteration experiencing improved system data throughput. Unfortunately, fading can occur when transmitting signals carrying data over any significant distance. Fading is a loss of signal amplitude due to cancellation in the channel in which it was transmitted. From a transmit antenna, a signal can take multiple paths to a receiver, with changes in phase that can result in loss of amplitude when the different signal components recombine at the receiver.
Such fading can be counteracted by utilizing multiple transmit or receive antennas. It is very unlikely that cancellation will occur in all cases when a signal is transmitted or received on multiple antennas. Use of multiple antennas is known as antenna diversity, and it can further improve data throughput in a wireless system.
Implementation
Antenna diversity can be implemented in a number of different ways in a wireless system. For example, spatial-division multiple-access (SDMA) techniques differentiate signals by means of spacing between antennas. There can be multiple antennas on the transmit side and a single antenna on the receive side in a multiple-input, single-output (MISO) configuration; a single transmitting antenna and multiple receiving antennas in a single-input, multiple-output (SIMO) configuration; or multiple transmitting antennas and multiple receiving antennas in a MIMO configuration.
MIMO-based systems offer the best results in terms of antenna diversity, but the complexity of the decoding requires a sophisticated transmitter and receiver. An operating environment that’s constantly changing requires constant channel characterization. Also, as the distance between the transmitter and receiver increases, the complexity of the channel between the transmitting and receiving antennas becomes unstable and difficult to differentiate, making the benefits of MIMO less pronounced. Systems with multiple transmitting antennas and a single antenna for reception—quite common in wireless communications—take advantage of antenna diversity to improve performance.
In a MISO wireless system with antenna diversity, multiple DACs simultaneously transmit data on multiple antennas. Since transmitting antennas are arranged at physically different locations (e.g., on a tower), the signals will propagate to the receiver in different ways. The paths from each transmit antenna to the receive antenna will be different. The received signal will be different from each of the antennas due to the multipath effects in each of the communications signal channels.
Characterization of each channel with transmitted pilot tones provides the receiver with invaluable information on each channel. This information can be used to digitally modify data before transmission, enhancing the likelihood of reception at the receiver. Since each channel requires specific modification and correction, separate DACs and a dedicated digital signal processor (DSP) are required for each transmitting antenna. If the transmitting DACs are not perfectly aligned in time, the transmitted signals will be misaligned, resulting in poor beamforming accuracy. The transmitter will be unable to maintain a stable channel from point to point, and the receiver will be unable to correct for these errors. To avoid this in the time domain, the DACs must be synchronized, which means that data must be transmitted from each DAC at the same time. Even the slightest variation in transmission time can degrade system performance.
When DACs output data at gigahertz (GHz) speeds, it is extremely difficult to synchronize their outputs across multiple devices. If a DAC is sampling at 2.7 Gsamples/s, the output code changes every 370 ps. The sample clock and the data clock from the FPGA need to be aligned for each transmitting DAC.
LTC’s High-Speed DAC
One example of such a DAC is the model LTC2000A, a 2.7-Gsample/s, 16-b DAC from Linear Technology Corp. that simplifies synchronization by including an internal register to adjust data latency through the DAC. To use this feature, the timing mismatch of the data lines and clock lines to each of the DACs must be within 0.4 cycles of the sample clock frequency.
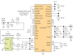
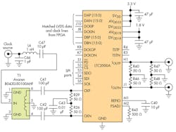
Figure 1 shows the ideal routing of two model LTC2000A DACs. The trace lengths of the data paths and clock paths to the individual DACs must match within negligible timing delays, within picoseconds. This is achieved through proper digital routing techniques. When this synchronization is achieved, transmitted data will be within one cycle from DAC to DAC.
Each LTC2000A DAC contains an internal register to program the data pipeline latency. Each DAC register can be individually set, which will ultimately align all of the DACs in the time domain. This allows for optimum performance when all using diversity techniques. Increasing the number of transmitting DACs boosts the maximum level of diversity. Overall, the ability to synchronize multiple DACs improves antenna diversity and allows for larger antenna arrays.
The LTC2000A also provides excellent ac performance to further enhance a wireless system’s capabilities. Figure 2 shows the spectrum of 16 channels of CDMA with a gap channel removed. The power in each of the carriers is –36 dBm, and the power in the gap channel is –96 dBm, demonstrating excellent spectral purity. Such spectral purity from the LTC2000A DAC allows for minimal filtering of the DAC’s output prior to transmission, simplifying a transmitter’s output network.
In an example application (Fig. 3), the LTC2000A DAC operates at update rates to 2.7 Gsamples/s, which extends the usable transmit bandwidth beyond 1 GHz. The high sample rate also provides enough bandwidth for demanding communications applications while still providing excellent spectral and noise performance.
The LTC2000A’s noise spectral density is better than –158 dBc/Hz for signals to 500 MHz, which keeps the signal-to-noise ratio (SNR) high for a wide range of generated frequencies. The DAC also features a spurious-free dynamic range (SFDR) of better than 74 dB for output frequencies to 500 MHz and better than 65 dB to 1 GHz. This yields output signals with negligible spurious content that require only minimal filtering. For the most accurate beamforming applications, the 16-b version of the LTC2000A will provide the highest accuracy. For lower performance applications, the LTC2000A comes in pin-compatible 14- and 11-b versions. With or without diversity techniques, the LTC2000A DAC can improve the performance of any wireless communications system.
Modern applications are constantly pushing the performance limits of wireless systems. Using multiple antennas for antenna diversity can eliminate multipath fading. To help in that process, the LTC2000A DAC and its built-in synchronization simplify the implementation of multiple-antenna diversity systems.
Synchronizing any number of LTC2000As can be performed by simply modifying a digital bit in a control register. When a large number of LTC2000A DACs are synchronized, they can be used in complex beamforming applications involving one or more antennas. LTC’s DAC can also be used with other diversity techniques, such as those based on time, frequency, and code. More information about the LTC2000A, including design files, example layouts, signal-generation programs, and sample field-programmable-gate-array (FPGA) code, can be found here.
Clarence Mayott, Applications Engineer
Linear Technology Corp., Mixed Signal Products, 1630 McCarthy Blvd., Milpitas, CA 95035; (408) 432-1900
This file type includes high resolution graphics and schematics when applicable.




