HMSIW Methods Make Broadband Dividers
This file type includes high resolution graphics and schematics when applicable.
Eight-way power divider/combiner circuits are vital to the operation of microwave signal-distribution and power-amplification systems, but constructing such circuits for wide-bandwidth use can be challenging. Fortunately, an eight-way power divider/combiner was developed using substrate-integrated-waveguide (SIW) and half-mode SIW techniques. By using a stepped coaxial line transformer with the SIW circuits, it was possible to achieve impedance matching over a broad bandwidth.
Related Articles
• Compact Power Divider Switches 0.5 To 2.1 GHz
• Balanced UHF LNA Simplifies Cell Towers
• MIMO Transceivers Aid TD-LTE Systems
To benefit planar circuit integration, the combiner/divider was constructed by connecting two power dividers back-to-back with vertical microstrip transmission lines. This technique delivered good input return loss with low insertion loss over a wide bandwidth. To demonstrate the effectiveness of the design approach, the power divider/combiner was fabricated and compared with results from models within a commercial computer-aided-engineering (CAE) simulation software program, with very good agreement in the two sets of data across a wide frequency bandwidth.
Power dividers and combiners are particularly useful as combiners when higher power levels, such as for transmission, are needed and a single amplifier can not provide adequate output levels. Air-filled metal waveguide power dividers/combiners have traditionally provided low insertion loss with good high-power-handling capabilities, but such components tend to be relatively expensive to manufacture and are limited in application due to the transitions required for use with planar RF/microwave circuits.1 On the other hand, power dividers based on planar transmission-line technologies, such as microstrip, can suffer high insertion loss while being limited in power-handling capabilities.2,3
As alternatives, SIW and half-mode SIW (HMSIW) technologies have been proposed as practical alternative approaches for power divider/combiner circuits for their inherently low loss, low cost, compactness, and easy integration with planar components. Some SIW and HMSIW power dividers with very good performance have previously been detailed in the literature.4-6 For example, SIW-based power dividers using a resonant structure were described in ref. 7, but these components suffer from limited bandwidth. A broadband traveling-wave four-way power divider was described in ref. 8, but the input impedance matching for this component was relatively complicated to manufacture and its coaxial ports are difficult for microstrip integration with planar active components for compact power-combining applications.
As a possible solution, a broadband HMSIW eight-way power divider/combiner has been developed. Its topology is similar to that of the traveling-wave power divider described in ref. 8, but its input matching structure has been modified to simplify the manufacturing process while providing broadband impedance matching. Four broadband HMSIW Wilkinson power dividers were used to construct an eight-way power divider. Furthermore, by connecting two power dividers back-to-back by means of vertical microstrip transmission lines, this circuit can be directly integrated with active components, eliminating the loss associated with microstrip-to-coaxial transitions. For both modeled and fabricated versions of the proposed power divider/combiner approach, results reveal low insertion loss, wide bandwidths, and ease of manufacturing.
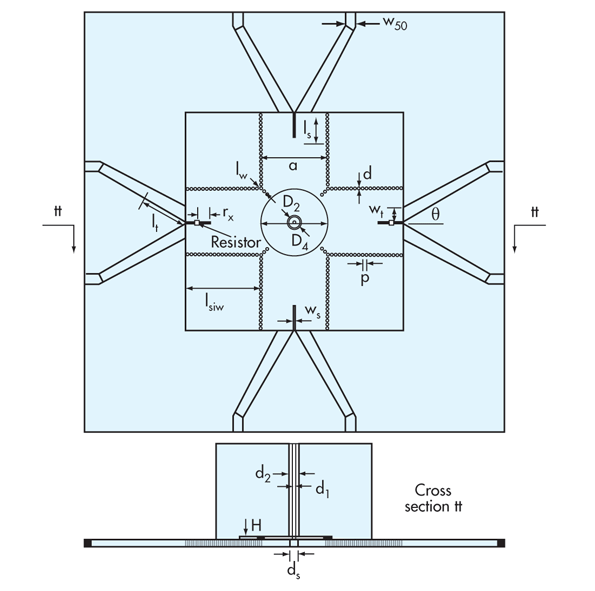
Figure 1 shows a top view of an eight-way power divider with an axially symmetric structure. It is centrally fed by a current probe through a stepped coaxial line. Four SIWs are used as arms for signal distribution. In each SIW, side walls are realized by arrays of metallic viaholes formed in relatively thin dielectric substrates. Viahole spacing of three times the viahole radius was chosen to minimize leakage losses while preventing an overload of the substrate.
To achieve high-performance signal division, HMSIW Wilkinson power dividers were integrated with SIW. The broadband monomode characteristics of the HMSIW transmission lines and direct connection to SIW ensure wideband performance. To minimize cross coupling between HMSIW circuits while also achieving good return loss, the gap lengths and widths between them should be optimized. Each HMSIW is matched to a microstrip port by means of a tapered transition. The angle θ between two HMSIW branches is 30 deg. If θ is too small, there will be some unpredicted coupling between adjacent output ports. On the other hand, when θ is large, return loss will be degraded.
This file type includes high resolution graphics and schematics when applicable.
Putting It All Together
This file type includes high resolution graphics and schematics when applicable.
In earlier works, a dual-disk probe was proposed to provide broadband impedance matching from an input coaxial line to a radial line.8 But this impedance-matching structure is rather complicated, requiring a sophisticated mechanical process to form an additional closed cavity on the top side of the substrate. In the current report, a simple one-disk probe was used to avoid any complex manufacturing requirements. A stepped coaxial line transformer together with a tapered SIW was used for broadband input matching for the power divider/combiner, as shown in Fig. 1.
A tapered SIW was formed by using guiding posts, as illustrated in ref. 9. The inner conductor diameter of the central probe is also stepped, from d1 to ds, for broadband matching. Such a stepped structure can be easily realized by adding a metallic central viahole with diameter of ds in the substrate.
Thus, the return loss can be optimized by changing the total lengths of the guiding posts (ls) and the physical parameters of the stepped coaxial line transformer (D2, D4, H, and ds). Compared with those parameters described in ref. 8, the feeding structure for the power divider/combiner in this report is much simpler while also achieving broadband input impedance matching. Four isolation resistors of 100 Ω were soldered between each open end of the HMSIW Y-junction to improve the port-to-port isolation performance.
For many microwave power-combining networks, a microstrip port is preferred for its ease of connection with planar active components, such as power amplifiers. A microstrip port makes it possible to make direct connections with planar active components. In contrast to the designs described in ref. 8, in the current report, the central feedline is on the same side as the microstrip output port, so that two eight-way HMSIW power dividers/combiners can be connected back-to-back by using vertical microstrip transmission lines to form a broadband power combiner, as shown in Figs. 2 and 7.
For a power-combined amplifier structure, the microstrip transmission lines can be replaced by planar amplifier modules. Because there is no coaxial-to-microstip transition, insertion loss can be minimized when this approach is applied to a power-combining system. To illustrate the performance of back-to-back connected power divider/combiner circuits, the input port of the power divider was driven by an incident voltage vin, as shown in Fig. 2. If V1 denotes the voltage vectors between two power dividers—i.e., V1 = [vin…vin]T—it can be derived that:
V1 = ([I] + [S]2)vinT (1)
where T = [tt…tt] and t represents the transfer coefficient of the power divider from the input port to either output branch; [S] is the scattering matrix of the power divider with the first row and column of the matrix excluded. Obviously, the off-diagonal elements of matrix [S] indicate the isolation between the output ports of the power divider. In Eq. 1, [I] is the identity matrix. The output voltage of the power divider can be written by means of Eq. 2:
vout = TTV1 = vin TTT + vin TT[S]2T = vout1 + vout2 (2)
The first term, vout1 of Eq. 2 is the ideal output, while the second term, vout2, is the frequency-dependent interference signal caused by multiple reflections and nonideal isolation. This term should be minimized to improve the wideband response of the power-combining system. Obviously, when power amplifiers are inserted between power divider/combiners, system performance can be improved by optimizing the input/output return losses of the individual power amplifiers.
The design procedure for realizing an eight-way HMSIW power divider is straightforward. The SIW and HMSIW parameters are first calculated according to the desired operating frequency range so that HMSIW Wilkinson power dividers can be designed.10 Next, the parameters required for a transition from coaxial lines to the four SIW arms are determined. Finally, these two circuit segments are integrated and full-wave optimization is applied.
To demonstrate the design procedure, an HMSIW eight-way power divider was fabricated on TLX-8 printed-circuit-board (PCB) material from Taconic’s Advanced Dielectric Division. The substrate material has a thickness of 60 mil and relative dielectric constant of 2.55 in the z-direction. Full-wave computer simulation and optimization was performed by means of CST Microwave Studio 2011 computer-aided-engineering (CAE) software from Computer Simulation Technology. As shown in the photograph of Fig. 3, SMA connectors were added to the circuit for testing a single power divider. The dimensions of the various parameters for the power divider are listed in the table.
The simulated and measured S-parameters of the single eight-way power divider are shown in Fig. 4. Good agreement can be observed in wideband. The discrepancy between the two results is mainly attributed to unexpected tolerance of fabrication and assembling. Over a wide frequency range from 4.5 to 11.2 GHz, insertion loss lower than 1 dB (including SMA connectors) and return loss better than 12 dB are achieved.
This file type includes high resolution graphics and schematics when applicable.
Conclusions
This file type includes high resolution graphics and schematics when applicable.
The simulated and measured port-to-port isolation performance levels are shown in Figs. 5 and 6, respectively. The simulated and measured results also agree very well. The measured isolation is better than -10 dB over entire working band from 4.5 to 11.2 GHz except for S32 and S52, whose -10 dB isolation bandwidth is about 3.2 GHz.
Related Articles
• Compact Power Divider Switches 0.5 To 2.1 GHz
• Balanced UHF LNA Simplifies Cell Towers
• MIMO Transceivers Aid TD-LTE Systems
As Fig. 7 shows, two power dividers were fabricated and connected back-to-back with 18-mm-long microstrip lines to form a power combiner. The unit’s frequency response is shown in Fig. 8. The measured return loss is better than -10 dB from 4.8 to 11 GHz. The measured magnitude of S21 is from 0.8 dB to 1.9 dB in the same frequency band. The maximum potential combining efficiency (eff) can be estimated by Eq. 3:
eff = [|S21|2/(1 - |S11|2)]0.5 x 100% (3)
Figure 9 shows the calculated results from Eq. 3 for the structure of Fig. 7. From these results, it is clear that combining efficiency from 82.5% to 92.5% can be achieved for a wide frequency range. Considering the loss of the vertical microstrip lines, the combining efficiency is even better. Wideband fluctuations in S21 are caused by return loss and isolation, as indicated by Eq. 1. In a power-combining system, such fluctuations can be alleviated by optimizing the input matching network of the power amplifier in the system.
The HMSIW power divider achieves low insertion loss and good input return loss over a wide frequency range from 4.8 to 11.0 GHz. Its performance makes it a promising building block for broadband power dividing and combining networks that require high efficiency.
Lei Zhang, Associate Professor
Xiaowei Zhu, Professor
Ling Tian, Associate Professor
Jiafeng Zhai, Associate Professor
State Key Laboratory of Millimeter Wave, School of Information Science and Engineering, Southeast University, Nanjing, 210096, People’s Republic of China.
Acknowledgments
This work was supported in part by National Science and Technology Major Project 2013ZX03001017-003 and 2008ZX03005-001, and the National Natural Science Foundation of China under Grant No.60702163.
This file type includes high resolution graphics and schematics when applicable.
References
This file type includes high resolution graphics and schematics when applicable.
1. P.C. Jia, L.Y. Chen, A. Alexanian, and R.A. York, “Multioctave spatial power combining in oversized coaxial waveguide,” IEEE Transactions on Microwave Theory & Techniques, Vol. 50, No. 5, May 2002, pp. 1355-1360.
2. L. Li, and K. Wu, “Integrated planar spatial power combiner,” IEEE Transactions on Microwave Theory & Techniques, Vol. 54, No. 4, April 2006, pp. 1470-1476.
3. Q.X. Chu, and J.M. Yan, “A two-layer planar spatial power divider/combiner,” Microwave Symposium Digest, 2009 IEEE MTT-S International Symposium, June 2009, pp. 989-992.
4. H. Jin and G. Wen, “A novel four-way Ka-band spatial power combiner based on HMSIW,” IEEE Microwave & Wireless Component Letters, Vol. 18, No. 8, August 2008, pp. 515-517.
5. X. Zou, C.M. Tong, and D.W. Yu, “Y-junction power divider based on substrate integrated waveguide,” Electronics Letter., Vol. 47, No. 12, December 2011, pp. 1375-1376.
6. L. Zhang, X.W. Zhu, and J. Zhai, “Design of wideband planar power dividers/combiners,” Microwave Workshop Series on Millimeter Wave Wireless Technology and Applications (IMWS), 2012 IEEE MTT-S International Symposium, pp. 173-175.
7. K. Song, Y. Fan, and Y. Zhang, “Eight-way substrate integrated waveguide power divider with low insertion loss,” IEEE Transactions on Microwave Theory & Techniques, Vol. 56, No. 6, June 2008, pp. 1473-1477.
8. K. Song, and Y. Fan, “Broadband travelling-wave power divider based on substrate integrated rectangular waveguide,” Electronics Letter., Vol. 45, No. 12, December 2009, pp. 631-632.
9. T.Y. Seo, J.W. Lee, S.C. Choon, and T.K. Lee, “Radial guided 4-way unequal power divider using substrate integrated waveguide with center-fed structure,” Proceedings of the Asia-Pacific Microwave Conference, December 2009, pp. 2758-2761.
10. D.S. Eom, J. Byun, and H.Y. Lee, “Multilayer Substrate Integrated Waveguide Four-Way Out-of-Phase Power Divider,” IEEE Transactions on Microwave Theory & Techniques, Vol. 57, No. 12, December 2009, pp. 3469-3476.
This file type includes high resolution graphics and schematics when applicable.
About the Author

Leaders relevant to this article:











