Differential Drive Optimizes Active Mixers
This file type includes high resolution graphics and schematics when applicable.
Broadband active mixers and in-phase/quadrature (I/Q) demodulators are available with excellent performance across more than three octaves. This equips them for receiver designs aimed at broadband applications and multiple frequency bands. Optimum performance with double-balanced mixers and I/Q demodulators can be achieved by driving them with differential, rather than single-ended, signals. This necessitates the use of baluns on the mixer RF and local-oscillator (LO) ports.
Related Articles
• Low-Cost Front End Receives 9 GHz
• Simulator-Modem Demonstrates Category 6 LTE Data Rates
• Vector Signal Sources Reach 6.05 GHz
Single-ended drive without a balun is an option, but results in degraded performance. Narrowband baluns can provide low insertion loss and good return loss, but with limited frequency coverage. Operating an active mixer with a low-loss broadband balun on the local-oscillator (LO) and RF ports is the most desirable option when designing a broadband or multifrequency receiver platform. What follows will compare the performance of an active RF mixer and I/Q demodulator when driven with differential signals and with single-ended signals.
Broadband wireless receiver designs tend to fall into one of two categories: wideband or frequency-selective types. Wideband receivers can be tuned over a frequency range of several octaves, with relatively frequency-agile tuning. Reconfigurable radio designs, on the other hand, are hardware platforms that can be easily adapted to work at different frequencies. For example, a receiver that is deployed in two different geographical regions would have the same core receiver design. However, each would be built and configured to accommodate a particular wireless standard.
The analog component building blocks with these receivers that vary from system to system include filters, low-noise amplifiers (LNAs), and voltage-controlled oscillators (VCOs). The core receiver circuitry employs a common design for multiple frequency bands and standards. Development of reconfigurable radio designs is cost effective because the end result is a single radio platform which can be reused in different frequency deployments. Additionally, from a manufacturing perspective, this reduces the diversity components that must be stocked.
Models ADL5801 and ADL5802 active mixers and model ADL5380 I/Q demodulator from Analog Devices were specifically designed to serve the needs of these systems. The ADL5801 and ADL5802 are single- and dual double-balanced active mixers, respectively, designed to operate from 10 MHz to 6 GHz. They exhibit single-sideband (SSB) noise figure of 9.75 dB and an input third-order-intercept point (IP3) of +28.5 dBm at 1900 MHz. The active mixers operate on a single supply of +5 VDC and have adjustable bias for low power operation. Model ADL5380 is an I/Q demodulator which operates from 400 MHz to 6 GHz. It has an input IP3 of +28 dBm and a noise figure of 12 dB at 1900 MHz.
Ideally, the LO and RF ports of these devices should be driven differentially. This has implications for the support circuitry that is required to convert signals between single-ended and differential formats. Before considering this more closely, it may help to examine the operation of the double-balanced active mixer core used in these devices.1
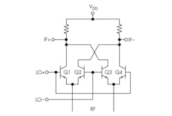
Figure 1 shows a transistor-level schematic diagram of a Gilbert-cell double-balanced active mixer. The term “double balanced” refers to the mixer’s LO and RF ports being driven differentially. The basics of a Gilbert cell mixer can be best described as a multiplication in the time domain of the input RF signal by a square wave, with value +1 or -1, at the LO frequency. Referring to Fig. 1, first consider what happens when the voltage at LO+ is positive and the voltage at LO- is negative, so that transistors Q1 and Q4 are turned on, while transistors Q2 and Q3 are turned off. This results in Q1 and Q4 behaving as closed switches with the outputs are taken at the IF ports, with the outputs multiplied by +1.
For the opposite scenario, where the voltage at LO- is positive and LO+ is negative, the IF outputs are now interchanged with respect to the previous case. In other words, the outputs have been multiplied by -1. This square wave with amplitude of +1 or -1 at the LO frequency is the mixing signal. It is the multiplication of the mixing signal with the RF signal which results in the sum and difference terms at the IF outputs. It may not be obvious, but the sum and difference terms reveal themselves when the RF and LO signals are expressed mathematically and the multiplication expanded.
Mathematically, the RF input voltage can be defined as VRF(t)cos(ωRFt) and the mixing signal is a periodic square wave which can be expanded as follows:
Vmix(t) = (4/π){cos(ωLOt) - [cos(3ωLOt)/3] + [5cos(ωLOt)/5] -…}
Multiplication of the RF and mixing signals yields:
V(t) = VRF × Vmix
V(t) = (2VRF/π)[cos(ωRFt – ωLOt)[cos(ωRFt + ωLOt)] - (2VRF/3π)[cos(ωRFt – 3ωLOt) +[cos(ωRFt + 3ωLOt)] +…
After applying filtering to reject higher-order harmonics, the resulting output of the mixer can be written as:
V(t) = (2VRF/π)[cos(ωRFt – ωLOt) + [cos(ωRFt + ωLOt)]
This file type includes high resolution graphics and schematics when applicable.
Component Choice
This file type includes high resolution graphics and schematics when applicable.
Since a Gilbert-cell mixer is a balanced mixer design, even-order mixer harmonics should be quite low. Due to the balanced nature of this structure, both the LO and RF ports should ideally be driven differentially. While modern wireless receivers rely more and more on differential components on the intermediate-frequency (IF) and baseband portions of the downconverter, most RF designers still prefer single-ended signal chains for driving the RF and LO ports.
This design preference is reinforced by available components. Most low-noise amplifiers on the market which drive I/Q demodulators and receiver mixers are single-ended circuits. Likewise, most VCOs which drive mixer LO ports are also single-ended devices, such as the model ADL5801 double-balanced mixer (10 MHz to 6 GHz) and model ADF4351 fractional-N frequency synthesizer with integrated VCO, both from Analog Devices.
For using single-ended drive with the RF and LO ports of the ADL5801 double-balanced mixer and ADL5380 I/Q demodulator, straightforward circuit configurations can be applied (Fig. 2). The RF input signal is connected to one of the balanced input ports while the other port is terminated with a capacitor connected to ground; the choice of either positive or negative port is of no consequence. The RF and LO ports are self-biased so a DC blocking capacitor is needed to prevent disrupting the common mode levels.
Driving differential LO and RF ports with single-ended signals comes at the expense of performance degradations, such as increased even-order distortion, noise coupling, and decreased power gain. With a single-ended drive, the balance within the mixer core is no longer maintained since the single-ended drive creates propagation delays or phase shifts of the two signal phases of the LO and RF ports.2 The result is degraded linearity performance—specifically, increased even-order distortion. Figures 3 and 4 compare input third-order-intercept-point (IIP3) and input second-order-intercept-point (IIP2) levels when driving mixer ports with single-ended signals versus differential signals.
In addition, with the loss of differential balance within the mixer, any noise that is coupled to the mixer input will directly propagate to its output. A single-ended signal is unbalanced by definition and is measured by the difference between the input signal and a constant reference point, which is often ground. When noise or an interference signal couples into the system, the constant reference point will have a signature different than that of the desired input signal. Therefore, when the signals are summed, the unwanted signal does not cancel and directly propagates to the output.
Differential signals, on the other hand, have equal amplitudes and opposite phases, 180 deg. out of phase with each other. The differential nature of the signals allow any noise or unwanted coupling to directly cancel when summed, since the unwanted signal will affect both signals equally but with opposite phases. This advantage of differential signals proves very beneficial in achieving a quiet and well-controlled high-frequency printed-circuit-board (PCB) design.
Another performance degradation observable in single-ended drive of the RF port is decreased power gain where only one-half the power is available compared to differential drive. The 6-dB power loss is a result of the change in input impedance from a 50-Ω differential impedance to a 25-Ω single-ended impedance. The effect of this becomes more critical for the noise figure of the device, which follows a linear relationship with power gain. Across the component’s full frequency range, the noise figure will degrade by 6 dB for single-ended drive versus differential signals.
As noted, differential drive for a mixer’s RF and LO ports offers performance advantages in linearity and noise figure and helps ease noise coupling compared to single-ended components. However, if the previous stage to the mixer or demodulator is single ended, which is often the case, a balun will be required for the single-ended-to-differential conversion. As an example, the model TCM1-63AX+ from Mini-Circuits is a 50-Ω 1:1-impedance-ratio balun that maintains low insertion loss from 1.1 to 1.8 dB across a broad frequency range of 10 MHz to 6 GHz. The frequency range of this balun is an excellent match for the frequency ranges of the single-ended ADL5801 mixer and ADL5380 I/Q demodulator.
Figure 5 shows how the LO and RF ports of the ADL5801 and ADL5380 components interface to the TCM1-63AX+ balun. Improvements in IIP2 and IIP3 performance from using the mixer and I/Q demodulator with these baluns and differential drive versus a single-ended approach are apparent from the plots in Figs. 3 and 4.
Broadband radio receivers and reconfigurable receivers require broadband components. The ADL5380 I/Q demodulator and ADL5801 and ADL5802 mixers together with the TCM1-63AX+ broadband 1:1 balun from Mini-Circuits provide broadband operation with optimum performance. The TCM1-63AX+ broadband 1:1 balun is an excellent support component for these frequency downconverters and helps to enable the design of broadband and reconfigurable radios.
Related Articles
• Low-Cost Front End Receives 9 GHz
• Simulator-Modem Demonstrates Category 6 LTE Data Rates
• Vector Signal Sources Reach 6.05 GHz
Qui Luu, Application Engineer
Analog Devices, Inc., 804 Woburn St., Wilmington, MA 01887; (978) 658-8930
Benjamin Sam, Design Engineer
Analog Devices, Inc., Northwest Labs Design Center, 1100 Northwest Compton Way, Ste. 100, Beaverton, OR 97006; (503) 690-1333
References
1. Whites lecture notes, Lecture 27: Mixers. Gilbert Cell.
2. Behzad Razavi, RF Microelectronics, Prentice-Hall, 2nd ed., Englewood Cliffs, NJ, 1998.
3. Carlos Calvo, “The differential-signal advantage for communications system design,” EE Times, February 1, 2010.
This file type includes high resolution graphics and schematics when applicable.






