A Selected History of Receiver Innovations Over the Last 100 Years (Part 1)
Many contributed to the early days of wireless, but it’s safe to say that Guglielmo Marconi ranks as one of the more prominent. While known for his wireless technology, many people are less familiar with the business he created around wireless technology at the turn of the 19th century. For about 20 years after the start of the 1900s, he built a critical business that launched the world of wireless toward what we have today (Fig. 1).
1. This is a photo of Marconi demonstrating his technology.
His commercialized technology was not the most up-to-date. However, it was good enough despite rapid technological changes because he figured out how to use the technology available to him to enable a new industry.
Marconi set out to deploy a worldwide network capable of sending and relaying messages wirelessly at a time when the world was in turmoil at the end of colonialism, mainly due to the wars and disasters that pockmarked the start of the 1900s, including the sinking of the RMS Titanic in April of 1912. The role that wireless played in both the rescue of survivors and the dissemination of the news of that accident reinforced the importance of this fledgling technology.
The key role that wireless technology could play wasn’t missed by either the public or the military, notably Joseph Daniels, who later became the secretary of the U.S. Navy. In the U.S. and elsewhere, leaders such as Daniels felt that the military should nationalize radio to ensure that they had access to it during wartime. It must be kept in mind that during this period, the only usable spectrum was below 200 kHz or so. At least for a while, things moved in this direction. After World War I, the government’s control of wireless weakened, but not before the formation of the government-sanctioned monopoly that created the Radio Corporation of America (RCA).1
The Early Radio Days
By our expectations, the radios of Marconi’s time were quite primitive. The transmitters employed spark-gap devices (only later did they employ mechanical alternators) to generate the RF. But on the receiving end, the systems were fully passive and consisted of an antenna, resonant LC tuner, and some sort of detector. These detectors will be covered shortly, but they were either mechanical, chemical, or organic.
Some of these systems employed a battery simply to bias them, but not to provide any circuit gain as we might recognize today. The output from these systems was supplied to some sort of headset to convert the signal to audio, which was always very weak and just a simple click or buzz at best.
Because these systems provided no gain on the receiving end, range was determined by the amount of transmitted power, the quality of the receiver, the experience of the operator to adjust it, and, of course, atmospheric conditions. What Marconi realized was that given a reasonably predictable range, a network of stations could be built to reliably communicate information across both continents and oceans. This included installations both on land and at sea.
Marconi set off to install his wireless stations across the globe and at sea, both on passenger ships and cargo ships. By installing systems on seafaring ships, he not only enabled them to communicate with their commercial interests on shore, but this also allowed Marconi to fill critical gaps in his network by providing relay and redundancy where needed.
2. The first Fleming valve prototypes.
One of the technologies that Marconi possessed was that of early vacuum tubes. John Ambrose Fleming, the recognized inventor of the vacuum tube, worked for the Marconi Corporation, but Fleming and Marconi’s analysis at the time was that their existing technology was sufficient at detecting radio signals (Fig. 2). Furthermore, they felt that the benefit of his discovery wasn’t worth the additional expense or the batteries to run the valve tubes. Marconi already possessed several technologies that could detect a signal and didn’t require the high power to run the filament and plate needed for a tube. Thus, they passed on this technology initially.
However, the so-called father of radio, Lee de Forest, took the technology and realized its potential. By inserting a screen grid between the filament and the plate, not only could he rectify a signal, he was also able to control the amount of current in the plate (Fig. 3). This enabled amplification. Even though there’s evidence that he didn’t understand how his Audion tube worked, he did realize the potential. And he did his best to capitalize on his invention both as a technology and as a value-added service similar to that created by Marconi.
3. The first audio triode de Forest tube.
Through various business ventures, de Forest attempted to both manufacture and sell his vacuum tubes and to set up wireless networks like that of Marconi. However, these ventures were doomed to failure not because of bad technology, but because de Forest’s business partners were often less than honest. Oftentimes, he was left standing alone answering for the wrongdoing of others. In the end, de Forest had to sell the rights to his own invention for others to profit from its capabilities.
One of those who early on realized the vacuum tube’s possibilities was Edwin Armstrong. While he was still in high school, a family friend gave him one of de Forest’s tubes to play with. Armstrong had already developed a reputation as an expert in wireless and, having built his own wireless station in the family home, quickly figured out how to utilize the device to develop a better receiver. While in college, he continued to develop this technology and developed the regenerative receiver. It provided superior performance compared to the passive systems employed by all wireless stations of the day.
David Sarnoff was a senior figure in the American Marconi Corporation (AMC). His rise within the company was a direct result of a long-cultivated relationship with Marconi himself and a dedicated work ethic. Sarnoff began his career as an errand boy for AMC and by chance met Marconi on one of his visits to America. Sarnoff so impressed Marconi that he enabled him to rise to power within the company, with Sarnoff eventually taking senior leadership in AMC and later in RCA. While visiting engineering labs around New York, he chanced across Armstrong. Armstrong’s knowledge of wireless and the capabilities of his regenerative receiver helped forge a long-term professional and personal relationship between the two.
When WWI came, Armstrong felt the call of duty to enlist. By this time, however, he developed a reputation as a wireless expert and, instead of being assigned combat duties, was assigned the role of inspecting and installing radios for combat services throughout France. His duties gave him access to equipment and labs, as well as various technologies that enabled him to continue research activities on the side.
During an air raid in early 1918, Armstrong made a series of discoveries that led him to synthesize the superheterodyne receiver. Throughout 1918, he developed the concept and, by November, met with a close group of friends to demonstrate a prototype of the superheterodyne radio. They were impressed and urged him to continue his developments.
By the end of 1918, the war was coming to a close, and, prior to returning to the U.S., Armstrong filed for a French patent on December 30, 1918. Upon returning to the U.S., he spent a few weeks recovering from an illness that delayed his filing for a U.S. patent. Eventually, he filed a U.S. patent for the superheterodyne receiver on February 8, 1919.
While Marconi’s vision for wireless focused only on commercial information carried by telegraphy between two parties, Sarnoff had a much broader vision: To send a signal to many parties. Sarnoff’s vision was not shared broadly early on. Eventually, though, others realized that this new technology offered a means by which news and entertainment could easily be delivered over great distances, including the rural reaches of America. To help drive his vision, Sarnoff and his team conceived of broadcasting the Dempsey versus Carpentier boxing match on July 2, 1921. The success of this broadcast enabled others to see the potential of broadcast radio as we know it today.
However, the real challenge of the time was technical. Early radios were difficult to use and didn’t function very well. This is where the story continues for Armstrong, Sarnoff, and RCA. Through the relationship developed earlier and the patents acquired by RCA, including that of the superheterodyne, radio technology had been simplified enough to make it both portable and easy enough for anyone to use. From a technology point of view, the superheterodyne architecture was key to this success, and it largely remains true today (Fig. 4).
4. Here, Edwin Armstrong and his wife Marion are on their honeymoon with the first portable radio.
Early Detectors
A radio must have some way of producing an output that conveys meaningful information. In the early days, this was a sympathetic spark created in the receiving loop antenna. It was quickly realized that a more sensitive way of converting the radiated energy into a meaningful signal was required. Early technology was quite limited and often leveraged a wide range of properties including chemical, mechanical, and electrical.
5. Coherer device.
In the very beginning, one of the first detectors used was called a coherer detector, which was based on the discoveries of a Frenchman named Édouard Branly (Fig. 5). The coherer consisted of two metal plates closely spaced with a supply of metal filings. As the RF signal presented itself to the plates, the metal filings adhered to the plates, closing an electrical circuit. This worked quite well for the detection, but once the RF signal was removed, the filings tended to remain attached to the plates.
To solve this problem, some sort of tapper was arranged to hit the side of the device to force the filings to dislodge. This crude detector was effective, but also bulky to use and operate. Even so, it was in use as late as 1907 (Fig. 6).
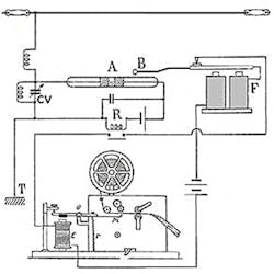
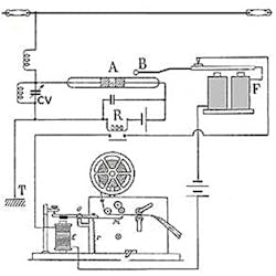
6. Coherer receiver schematic.2
A more practical solution was the electrolytic detector (Figs. 7 and 8). This device consisted of a very fine platinum wire immersed in a solution of sulfuric or nitric acid. A battery was used to bias the circuit just to the point of electrolysis. This formed gas bubbles on the surface of the platinum wire, causing the current to drop. If the RF current was coupled into the circuit, it would modulate the electrolysis and cause the current to vary in relation to the strength of the coupled RF signal. The technique was developed by Fessenden and in common use from 1903 until 1913. One variation of this detector was the responder. Developed by de Forest, it consisted of two metal plates immersed in a solution of lead peroxide.
7. Electrolytic detector.
8. Electrolytic radio receiver.
Marconi preferred another approach called the magnetic detector (Figs. 9 and 10). These devices were affectionately referred to as a Maggie by their users. They worked by creating an endless loop of steel wire that was magnetized by permanent magnets while being circularly rotated. The magnetized portion of the wire was passed through a loop of wire connected to an antenna. The RF field in this coil would demagnetize the wire according to the received signal level present. Variations in the magnetic field in the wire were then picked up by another coil that was connected to an ear piece; the ear piece provided an audible version of the RF signal. This approach was used by all Marconi installations until 1912, including on the RMS Titanic.
9. This is the magnetic detector as Marconi would have used.3
10. Magnetic detector radio schematic.
Another common type detector was the crystal detector, which remained popular until around 1925. Often referred to as a cat whisker, it was basically an early semiconductor junction fashioned out of various types of mineral (Figs. 11 and 12). Typical minerals included galena (PbS), iron pyrite (FeS2), molybdenite (MoS2), and carborundum (SiC). Small samples of these rocks were fashioned in a metal cup with a fine wire making a point contact on the rock. This contact could be moved and placed at various locations on the rock in search of the best operation.
11. Galena cat whisker detector.
12. Typical crystal radio schematic.4
Crystal radios are still available today; the circuit is identical to that available 100 years ago, with the exception that a manufactured semiconductor diode replaces the cat whisker. One advantage of crystal detectors is that these devices provide more of a linear detection, which became important as AM broadcast began. This made voice communication possible—earlier transmissions were only sent by Morse code.
Another type of detector was created in 1904 by an engineer working for Marconi. John Ambrose Fleming discovered that by adding a plate to an Edison incandescent bulb, he had created a rectifier, or valve, as it’s often called. Marconi and Fleming believed that their existing solution for detection, typically a Maggie, was better than that offered by the Fleming valve. They temporarily discontinued their efforts to find a better solution until after 1912.
However, others, including de Forest, did see the immediate value and picked up where Fleming and Marconi left off by adding a screen grid between the filament and plate. This work was patented and published in 1906. While de Forest realized the value of his invention for improved radios, he was not able to capitalize on it, partly due to his business partner’s misdeeds and partly due to various infringement cases against his patent.
References:
- Tom Lewis. Empire of the Air: The Men Who Made Radio. Harper Collins, 1991.
- Recepteur tube limaille. March 1902.
- By Alessandro Nassiri. Detector magnetico Marconi 1902—Museo scienza e tecnologia Milano. Museo nazionale scienza e tecnologia Leonardo da, December 2012.
- Davidson. CrystalRadio. September 2007.
About the Author
Brad Brannon
System Applications Engineering Director, Analog Devices Inc.
In his 37-year career at Analog Devices since graduating from North Carolina State University, Brad Brannon has held positions in design, test, applications, and system engineering. Currently, Brannon develops reference designs for O-RAN in support of those customers. He has authored several articles and application notes on topics that span clocking data converters, designing radios, and testing ADCs.

Leaders relevant to this article:













