Metamaterials Mold Multiband Resonator
Download this article in PDF format.
Advances in materials have been the springboard to enhancements in higher-frequency circuits and higher-efficiency, more compact circuits. As an example, the use of composite right/left-handed (CRLH) metamaterial transmission lines has made possible a miniature multiple-band resonator with frequencies extending from 2.8 to 10.4 GHz and high selectivity between the resonant circuit structures. In addition, the resonant structures have closely matched return losses.
The multiple-band resonator is fabricated on standard commercial circuit material with dielectric constant of 3.55 and thickness of 1.52 mm. It consists of a CRLH unit cell plus an additional series-connected resonant circuit that tunes the overall structure and provides the third frequency band. The resonator measures just 16.5 × 18.9 mm2 and delivers the multiple frequencies and compact size required for many modern communications circuit designs.
The steady expansion of wireless functions creates the need for denser high-frequency circuitry in smaller circuit sizes. CRLH circuitry has been shown as an effective means of shrinking the size of planar microwave components,1 with even greater circuit density and miniaturization possible using dual (D-CRLH) circuit structures.2 The two types of circuit configurations have been employed as filters, duplexers, diplexers, couplers, and power dividers in much smaller sizers than possible with conventional microstrip and stripline high-frequency transmission-line circuitry.3-5
For multiple-frequency-band applications in communications systems, CRLH transmission-line (CRLH-TL) resonators offer numerous advantages over traditional TL resonators because they have three branches in a half-periodicity configuration.2 To enhance the bandwidth of the compact resonators, U-folded resonators3 and multimode resonators4-6 were developed, too.
Multiple-band resonators had been built previously, serving as a starting point for the current design,7 while stepped-impedance resonators were also developed to produce multiple frequency bands.8,9 Unfortunately, the performance of these multiple-band stepped-impedance resonators was limited and, to improve the spectral purity of these multiple-band resonators, the small size of the initial design was sacrificed for an improvement in performance. 10,11
The researchers’ current work consists of a new resonator structure in which a gap-coupled microstrip resonator optimizes the use of tuning an additional tuner with a CRLH cell. This achieved three resonant frequencies/bands with simple control of the center frequencies and bandwidths. By using the CRLH transmission line, resonator length can be decreased to less than one-quarter wavelength at each frequency of interest, while maintaining good spectral performance.
1. The configuration for the novel three-frequency resonator based on CRLH metamaterial transmission lines (a) is compared with a traditional multiple-band resonator (b).
Figure 1a shows the layout of the CRLH triple-band line resonator in comparison to a traditional coupled-gap resonator in Fig. 1b. The triple-band resonator consists of a CRLH unit cell with additional tuner circuitry in series.
The CRLH cell is designed to operate at two low-frequency bands of 2.8 and 4.0 GHz, as shown by the S-parameters in Fig. 2a. The additional series circuitry tunes the operating bands of the CRLH resonator as well as the third frequency band at 10.4 GHz (Fig. 2b). The input and output ports are coupled by means of the small gap capacitor connected to the CRLH circuitry.
2. The plots show the simulated (S21 and S11) and measured (S21) S-parameters for the three-frequency resonator (a) and a traditional coupled-gap resonator (b).
The novel three-frequency design features low losses, with insertion loss equivalent to 3 dB at the first resonator band of 2.8 GHz, 1.5 dB at the second resonator band of 4 GHz, and 1.7 dB at the third resonator band of 10.4 GHz. The three-frequency resonator’s measured (S21) performance is compared to simulated (S21 and S11) responses in Fig. 3.
3. These plots reveal how closely the simulations compare to measurements for S21 and S11 parameters for the three-frequency resonator.
One step in designing the CRLH unit cell involves determining the value of n in Eq. 1 related to resonator phase:
Phase = -βL = nπ (1)
where:
L = the total physical length of the resonant transmission lines
n = a constant
β = a propagation constant
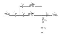
Figure 4 shows an equivalent circuit for the three-frequency CRLH resonator deduced from its physical behavior. The LR section is equivalent to a microstrip feed line, while the gap is equivalent to the gap capacitor, Cgap. Parameters CL1, LR1, LL, and CR are equivalent to the capacitances and inductances of the CRLH circuit cell. Capacitance CL2 and inductance LR2 represent the additional series tuning branch.
4. This equivalent circuit shows the basic circuit elements required for the three-frequency CRLH resonator.
In the three-frequency CRLH resonator, the first and second resonances are produced by the CRLH cell, with key circuit values for the two lower-frequency resonances, f1 and f2, calculated by Eqs. 2 and 3, respectively:
f1 = 4π(CL1LR1)0.5 (2)
f2 = 1/π(CRLL)0.5 (3)
Tuning Higher
The third resonance frequency in the circuit, f3, is achieved by tuning the interdigital capacitor, where low values of capacitance and inductance are used to obtain the third frequency band with a higher frequency. Equation 4 is used to determine the key circuit parameters:
f3 = 1/2π(CL2LR2)0.5 (4)
The loaded quality factor of the three-frequency resonator, QL, can be found by applying Eq. 5:
QL = f0/f3dB (5)
where:
f0 = the resonant frequency
f3dB = the 3-dB bandwidth surrounding the resonant frequency
The 3-dB bandwidth of the resonator insertion loss for the first band is 0.0302 GHz, 0.1104 GHz for the second band, and 0.199 GHz for the third band. The quality factors (Q) for the three bands are 92.7, 36.2, and 52.26, respectively. In comparison to the traditional gap-line resonator of Fig. 1b, the three-band resonator achieves much improved Q, since the Q of a traditional coupled-gap resonator (Fig. 2b) is relatively low, at 6.93.
Compact Resonator
Figure 5 shows a three-frequency CRLH resonator constructed with a CRLH transmission line and a conventional microstrip transmission line. The resonator is fabricated on commercial printed-circuit-board (PCB) material from Rogers Corp. with dielectric constant of 3.55 and thickness of 1 mm. The circuit material is laminated with 0.035-mm-thick copper foils on both sides of the dielectric material. The distance between the CRLH and microstrip transmission lines is 0.3 mm.
5. This version of the three-frequency CRLH resonator is fabricated on commercial PCB material with dielectric constant of 3.55 in the z-axis (thickness) at 10 GHz.
This miniature triple-frequency resonator represents an example of how this transmission-line technology can be applied to produce multiple signal frequencies while also miniaturizing the circuitry. The novel CRLH structure used in the three-frequency resonator is designed with one cell consisting of two patch capacitors for the two lower-frequency bands and an additional series-connected circuit branch to produce the third, higher-frequency resonance. The frequencies in this resonator are easily controlled and tuned, with low insertion loss and reasonable values of return loss, suggesting that the design approach has promise for use across a wide range of resonator frequencies.
References
1. C. Caloz and T. Itoh, Electromagnetic Metamaterials: Transmission Line Theory and Microwave Applications, Wiley, New York, 2006.
2. C. Caloz, “Dual Composite Right/Left-Handed (D-CRLH) Transmission Line Metamaterial,” IEEE Microwave and Wireless Components Letters, Vol. 16, No. 11, November 2006, pp. 585-587.
3. S. Zhang and L. Zhu, “Compact Tri-band Bandpass Filter Based on λ/4 Resonators with U-Folded Coupled Line,” IEEE Microwave and Wireless Components Letters, Vol. 23, No. 5, May 2013, pp. 258–260.
4. L. Gao, X. Y. Zhang, and Q. Xue, “Compact Tri-band Bandpass Filter Using Novel Eight-Mode Resonator for 5G WiFi Application,” IEEE Microwave and Wireless Components Letters, Vol. 25, No. 10, October 2015, pp. 660–662.
5. Ahmed F. Daw, Mahmoud A. Abdalla, and Hadya M. Elhennawy, “Dual Band High Selective Compact Transmission Line Gap Resonator,” 2014 Loughborough Antennas & Propagation Conference, United Kingdom, pp. 91-94.
6. Ahmed F. Daw, Mahmoud A. Abdalla, and Hadia M. EL-Hennawy, “Multiband Sharp-Skirt Compact Gap Resonator Based D-CRLH,” 2015 32th National Radio Science Conference (NRSC), Egypt, pp. 43-50.
7. R. Zhang and L. Zhu, “Analysis of Dual-Wideband Bandpass Filters with Source-Load Coupling Network,” IEEE Transactions on Microwave Theory & Techniques, Vol. 62, No. 3, March 2014, pp. 441–449.
8. A. F. Daw, M. A. Abdalla, and H. M. Elhennawy “New configuration for multiband ultra-compact gap resonator-based D-CRLH,” IEEE, Middle East Conference on Antenna and Propagation (MECAP) conference proceedings, 2016, pp. 1-4.
9. C. F. Chen, “A Compact Reconfigurable Microstrip Dual-Band Filter Using Varactor-Tuned Stub-Loaded Stepped-Impedance Resonators,” IEEE Microwave and Wireless Components Letters, Vol. 23, No. 1, January 2013, pp. 16–18.
10. B. Wu, C. H. Liang, P. Y. Qin, and Q. Li, “Compact dual-band filter using defected stepped impedance resonator,” IEEE Microwave and Wireless Components Letters, Vol. 18, No. 10, October 2008, pp. 674–676.
11. H. Lobato-Morales, A. Corona-Chavez, T. Itoh, and J. L. Olvera-Cervantes, “Dual-band multi-pole directional filter for microwave multiplexing applications,” IEEE Microwave and Wireless Components Letters, Vol. 21, No. 12, December 2011, pp. 643–645.






