Filters that Use Resonators with DMS Can Produce Optimal Results
Nuhertz Technologies recently introduced a feature in its FilterSolutions program to support the design of filters utilizing defected microstrip structures (DMSs). When used with AWR’s Microwave Office, this new modeling capability makes it possible for engineers to achieve accurate synthesis of stripline, microstrip, or suspended substrate filter designs when using these resonators. FilterSolutions not only enables the design of these distributed-element filters, but the software can also synthesize the design of lumped-element, active, and digital filters.
This article presents an example of a hairpin resonator microstrip bandpass filter. In this example, we will look at a filter with unmodified resonators. We will then modify the resonators to produce a T-shaped notch “defect” in the conductors.
1. The spurious passbands can be seen in this FilterSolutions design interface.
Figure 1 shows the hairpin example, which illustrates the inherent problem of distributed designs concerning frequencies much greater than the design passband frequency. With a design frequency of 1 GHz, we see other spurious passbands at 2 GHz and then again at 3 GHz. If we were to extend the frequency range being examined, we would continue to see spurious passbands at every multiple of the 1-GHz design frequency. Although the natural parasitic effects will suppress the passbands at some point, the lower-frequency parasitic passbands would likely be a design problem.
Our thanks to National Instruments’ AWR design group for the use of its Microwave Office and AXIEM software tools in the AWR Design Environment, as will be noted.
A major advantage when using DMSs in filter designs is that it can minimize spurious passbands, or modes, in the frequency response. Such designs are often useful in wideband applications that require suppression of frequencies much higher than the passband.
The DMS resonators form a notch inside the resonators of the main filter that is tuned to a spurious frequency, thereby suppressing the spur. Any spurious frequency may be targeted by the DMS notch filter. FilterSolutions provides automated tuning for the first spurious mode. The parasitic issues are handled by adding transmission zeros to the legs of the inductor sections.
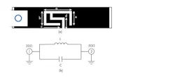
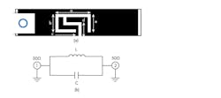
2. Shown are DMS notch resonators embedded inside a coupled resonator section.
Figure 2 shows the layout of a coupled resonator section in the AWR Microwave Office program. Here, we see an example that has two embedded DMS resonators tuned to the first spurious frequency.
After designing the network in FilterSolutions, the filter can be exported to Microwave Office by using the “AWR Export Selections” control panel in FilterSolutions. “Use DMS Resonators” is selected in the dialog box (Fig. 3).
3. Designers can select “Use DMS Resonators” from the FilterSolutions “AWR Export Selections” control panel.
Spurious frequency suppression is best handled with fine tuning in a good optimizer. A DMS will contribute its own parasitics to the circuit. Therefore, the coupling between the transmission line resonators needs to be optimized along with the other optimization targets, taking these parasitic responses into account.
FilterSolutions utilizes NI AWR software to further analyze and optimize the synthesized design for rigorous circuit simulation, electromagnetic (EM) analysis, and optimization. We have used Microwave Office for circuit simulation and then the AXIEM 3D planar simulator, another important tool in the AWR Design Environment.
Simulation in Microwave Office
4. Shown are the initial DMS layout and simulation results.
The design can be exported to Microwave Office for initial circuit simulation and optimization. Figure 4 shows the initial DMS layout and simulation results. We can see that the first spurious frequency response has been attenuated. In addition, the DMS parasitic effects have slightly altered the design passband. We can then use the optimization capabilities of the program to increase the spurious suppression and minimize the parasitic effects on the passband.
After using Microwave Office with its efficient optimization capabilities, we can see that the circuit response has greatly improved (Fig. 5). The suppressed first spurious frequency and main passband are now mostly within the S11 and S21 optimization goals.
5. The filter was optimized in Microwave Office to obtain the DMS layout shown. The simulation results are also provided.
EM Analysis in the AWR AXIEM program
To ensure full design accuracy, the DMS filter will be electromagnetically optimized using AWR’s AXIEM. This EM solver offers the speed to support extraction optimization. Figure 6 shows the results.
6. This figure depicts the DMS layout and response after optimization with AWR’s AXIEM.
Aside from solving spurious response issues, the resulting filter design may also yield other advantages for circuit production. The design may help reduce the filter’s overall size by removing otherwise needed circuitry required to limit spurious effects, thereby lowering overall product costs.
Other DMS Designs and Comparison to Defected Ground Structure Designs
The use of DMS resonators in filters can be contrasted with the use of defected ground structures (DGSs). These structures are also well-known and well-documented as a means for saving space and minimizing spurious responses. However, a major disadvantage when using a DGS is it creates a notch in the ground plane that leads to EM radiation. Thus, an elaborate and carefully constructed enclosure would be required to defeat the generated EM interference. The radiation would also likely add size and cost to the circuit.
In the case of a DMS-based design, we can create a circuit in planar microstrip without requiring additional via lines to ground as compared to using conventional lumped-element resonators. In the 1-GHz filter example designed for this paper, the conductors of the DMS resonator sections are notched in a T-shaped configuration (Fig. 7).
7. Illustrated here is a close-up view of the resonators that shows the notches.
A review of recent literature includes T-shaped notches (like our example), but also more complex spiral,1 and G-Shaped2 notched resonators, as well as arrays of DMS resonators (ADMS).3 These resonator structures are footnoted and shown in Figures 8, 9, and 10, respectively.
8. Shown is a spiral DMS resonator. (Source: Parui, Choudhury, Murmu, and Das1)
9. Another type of resonator structure is the G-Shaped DMS resonator. (Source: Wang and Chen4)
10. Array defected microstrip structures are illustrated here. (Source: Kazerooni and Cheldavi5)
Summary
The DMS resonator used in certain classes of distributed element filters can reduce filter complexity by working on the parasitic issues that arise and are seen in EM post-processing. The resultant distributed planar resonator filter can help to realize spurious-free wideband designs with commensurate size and cost advantages.
References
1. Parui, S., Choudhury, S., Murmu, A., and Das, S., “Bandstop Filtering Characteristics of a New Spiral Defected Microstrip Structure (DMS),” International Journal of Computer Applications, August 3, 2015.
2. Wang. J., Ning, H. Xiong, Q., and Mao, L. “A Compact Shape Narrow-Band Bandstop Filter Using Spiral–Shaped Defected Microstrip Structure,” RadioEngineering, Volume 23, no. 1, April 2014, pp. 209-213.
3. Subhashini, M., “Defected Microstrip Structure Based Bandpass Filter,” Indian Journal of Electronics and Electrical Engineering (IEEE), Volume 1, no. 1, pp. 1-6, March 28, 2013.
4. Wang, W., and Chen, Z., “Compact Lowpass Filter with Wide Stopband Using G-shaped Defected Microstrip Structure,” Advanced Material Engineering-Proceedings of the 2015 International Conference, World Scientific Publishing Company, Ltd, Page 84, 2015.
5. Kazerooni, M. and Cheldavi, A., “Simulation, Analysis, Design and Applications of Array Defected Microstrip Structure (ADMS) Filters Using Rigorously Coupled Multi-Strip (RCMS) Method,” Progress in Electromagnetic Research, PIER 63, pp. 193-207.












