Appraising Different Load-Pull Approaches
This file type includes high resolution graphics and schematics when applicable.
Load-pull techniques are invaluable for understanding the behavior of an active device or component under changing impedance conditions. Changes in load impedance, for example, can shift the center frequency of an oscillator. A number of different load-pull measurement methods have been developed over the years, based on both active and passive approaches. By understanding the differences among these approaches, a user is better equipped to select a load-pull measurement technique suited to a specific device under test (DUT).
As an example, load-pull measurements might be used to evaluate a prototype amplifier circuit in search of the highest output power, gain, power-added efficiency (PAE), or combination of these and other parameters. Once the impedance is found for a desired optimum operating condition, a matching network can be designed to present that impedance to an amplifier’s active device, such as a gallium nitride (GaN) transistor. Power amplifiers are widely used in modern wireless electronic devices, like cellular telephones, and may operate under a wide range of impedance conditions. The load impedance presented to that power amplifier, for example, will change when the telephone is held closer to the user’s body, or when damage occurs to the telephone’s antenna.
In all cases, load-pull systems must provide a precise means of modifying the impedance presented to a DUT. One method is based on passive, electromechanical, or electronic impedance tuners. The tuner is placed between a DUT and a power meter, and the output power of the DUT is measured at different impedance settings. If the impedance tuner is properly calibrated, it will show the impedance setting for maximum output power (or gain or other parameter if required) at a fundamental frequency, and provide the matching reflection coefficient, Γ, needed to achieve optimum output power from the DUT in an amplifier circuit. Passive load-pull tuners have also been developed for controlling the impedance at harmonic frequencies—while keeping the fundamental-frequency impedance fixed—to evaluate the efficiency of a DUT at different harmonic-frequency load impedances.
In contrast, an active load-pull system may use a signal source with control of magnitude and phase to synthesize a reflected signal for use in creating conditions of different load impedance to a DUT. This type of electronically controlled load-pull system is often referred to as an open-loop, active load-pull system. Variable-impedance test systems, where the impedance of the load (load-pull systems) or the source (source-pull systems) is changed, can be implemented with a passive source- or load-pull impedance tuner, a test signal generator, and a power meter.
An active source-pull system consists of an indirect approach of adjusting the phase and power of the source signal to emulate DUT parameter conditions. A spectrum analyzer can be added to measure the power levels of harmonic signals, and a vector signal generator (VSG) and vector signal analyzer (VSA) can be used when the DUT must be evaluated with digitally modulated test signals. To reduce the need of high-power injection amplifiers in open-loop active systems, hybrid load-pull systems use a combination of active and passive load-pull techniques, such as a mechanical tuner to pre-adjust impedances at fundamental and harmonic frequencies and active sources for tuning at fundamental and harmonic frequencies.
Automated load-pull systems have proven valuable in the design and optimization of amplifiers where linearity is essential, such as in communications systems employing digital modulation. Automated load-pull analysis can be traced back to when the first computer-automated load-pull contours were generated in 1972, although impedance-synthesis methods have evolved considerably since the early single-probe slab transmission lines.1 Alternatives to simple electromechanical structures for impedance synthesis, such as single-probe slab-line designs, include multi-probe tuners (MPTs™) capable of load-pull analysis at multiple harmonic frequencies. Of course, analysis equipment has changed a great deal over the years as well, with VSGs and VSAs now commonly used in the analysis of DUTs under multi-tone operating conditions, as well as linear and nonlinear microwave vector network analyzers (VNAs) commonly used with impedance tuners for load-pull measurements.
Modern automated load-pull measurement methods have evolved from empirical techniques, used as far back as the 1920s, in the development of triode-based vacuum-tube amplitude-modulated (AM) radios for commercial broadcast applications. Some of these methods were as simple as hand-tuning of RF circuits using a screwdriver to modify the load impedance.2
Over the years, manual load-pull methods have involved the use of electromechanical stub tuners or copper tape trimmed by an Xacto knife blade to simulate a desired impedance. Automated load-pull methods offer critical advantages over these manual approaches, allowing live de-embedding of the results to the DUT itself and the optimization of several DUT parameters simultaneously via continuous series of measurements, along with acquisition and analysis of test results.
Early commercial passive load-pull systems adopted slab-line structures for impedance synthesis, operating in its primary transverse-electromagnetic (TEM1) mode, with a conductive probe inserted into its transverse plane to add shunt susceptance. The structure forms the basis for an automated impedance tuner (Fig. 1). The displacement of the probe from the center conductor surface establishes the tuner’s reflection coefficient magnitude, while longitudinal displacement from a preferred side of the tuner establishes the reflection coefficient phase. The “automated” element of the tuner is supplied by a high-resolution stepper motor which controls the position of the probe. The probe rests on a sliding carriage whose displacement along an axis parallel to the slab line longitudinal axis is controlled as well by a stepper motor. The many positions created by the motions of the probe and carriage represent reflection coefficients at one frequency.
1. This is a third-generation multiharmonic impedance tuner from Focus Microwaves, with three independent internal carriages for arbitrary impedance synthesis at three distinct frequencies for multiharmonic load-pull, dynamic frequency-agile prematching, or classical load-pull applications.
The tuner is calibrated by means of a microwave VNA, which measures two-port S-parameters for each displacement pair. The maximum VSWR possible by a given passive load-pull tuner is determined by skin-effect losses on the probe and slab-line surfaces and the necessary slab-line-to-coaxial transitions on each tuner side. This maximum VSWR value was typically 25.0:1 at typical wireless frequency bands for the first generation of passive load-pull tuners in the early 1990s.
With a maximum VSWR of 25.0:1—coupled with modest losses from test fixtures needed to perform measurements on active devices—those first-generation passive impedance tuners were not capable of synthesizing the load-line impedance needed for testing GSM and IS-95 code-division-multiple-access (CDMA) mobile cellular communications applications, which were 2 and 4 Ω, respectively. Along with this load-line limitation, those first-generation load-pull tuners had the following limitations:
• Unable to perform independent harmonic tuning;
• Rigorous performance verification;
• Limited measurement of true power-added efficiency (PAE), power gain, and large-signal input impedance;
• Probe and cable heating due to power levels and lack of mismatch loss compensation;
• Test fixtures with typically high VSWR values; and
• Lack of frequency-agile dynamic prematching capability.
In terms of using harmonic frequencies to evaluate a DUT’s efficiency, that first generation of automated passive load-pull tuners presented harmonic impedances that were entirely dependent either on the impedance state of the fundamental frequency or the impedance presented by the test fixture at its harmonic frequencies, if a test fixture was used. Because independent harmonic tuning wasn’t possible with these automated passive tuners, it was impossible to evaluate power amplifiers based on a specific harmonic termination structure, such as a Class F amplifier.
Early commercial harmonic load-pull methods were based on a frequency multiplexer or a resonant harmonic probe; either presented additional limitations to the load-pull test setup. While the harmonic multiplexer provided independent harmonic impedance synthesis and excellent tuning isolation, its high insertion loss severely reduced the VSWR possible at the transistor reference-plane. The narrow frequency selectivity of the multiplexer meant a typical load-pull system required several multiplexers to cover the frequency ranges of common wireless bands, while their high out-of-band reflectivity often induced transistor oscillations. The resonant probe offered minimal degradation of fundamental-frequency VSWR, but required software-based compensation of the fundamental-frequency impedance due to poor isolation. Multiple probes were also required to cover standard wireless bands, and required the user to partially disassemble the impedance tuner and recalibrate it.
Independent harmonic tuning can now be performed by using an impedance tuner with multiple probes. For example, the patented multi-purpose tuner (MPT) technology developed by Focus Microwaves in 2006 uses two or more probes on a shared slab-line structure. With this approach, the VSWR of both fundamental and harmonic frequencies can be controlled over a range as great as a 100.0:1 VSWR. Building multiple impedance probes into a common housing also reduces losses and costs, making the multiprobe tuner a practical solution for harmonic load-pull analysis.
Linearity characterization was also a problem with those early first-generation load-pull systems, although perhaps due more to a misunderstanding of the mechanisms involved with signal-quality impairment than to the limitations of the load-pull tuners. The idea that a passive tuner or bias network could be responsible for intermodulation (IM) asymmetry in a manner indistinguishable from an amplifier itself in compression was not quickly embraced by the industry. As a result, worst-case intermodulation design practices were applied to load-pull measurements, at times making it difficult to reconcile the IM performance of amplifier models with the performance of fabricated prototypes.
This intermodulation asymmetry was eventually tracked to the impedance tuner and off-fixture bias network, due to nonconstant group delay near multiple resonant frequencies (often referred to as “memory effects”). By the early 2000s, enough knowledge had been accumulated to validate this conjecture, providing a better understanding of the intermodulation asymmetry associated with impedance tuners based on linear-phase network theory, Volterra theory, and the Noori in situ vertical-bandwidth (VBW) measurement method. By pursuing optimum on-fixture bias-network design and optimal allocation of matching between the tuner and fixture, to keep the impedance tuner away from its nonlinear group-delay region, it was possible to achieve VBWs exceeding 200 MHz, and in some cases approaching 300 MHz.
The data-acquisition software that accompanied those first-generation load-pull systems used internal mathematics with the assumption that power gain equaled transducer gain, assuming conjugate match conditions at the transistor input port, to calculate device PAE. If transistor transducer gain is greater than 10 dB, any error introduced by this assumption is negligible, only becoming significant when that gain is around 6 dB.
Although modern high-gain transistors have made this less of a concern, it is still necessary to know the large-signal input impedance for an interstage impedance-matching design and for SiGe and CMOS millimeter-wave applications where the transistor gain may be less than 10 dB. Any problem due to this assumption can be overcome by placing a directional coupler in front of the source tuner, in conjunction with the VNA, and with the reference plane reset to the input of the transistor under test. Expensive time-domain analyzers are not necessarily needed to measure the DUT’s large-signal input impedance to determine the device’s power gain and PAE.
An important part of load-pull testing is the design of the test fixture, especially with the multiple-octave bandwidths capable of harmonic load-pull measurements. As mechanical load-pull tuners were being developed, test fixtures capable of high VSWRs and minimal group-delay distortion were being designed based on classical filter-synthesis techniques. These fixtures drew from prematching multi-section transformers based on multisection quarter-wave Butterworth and Chebyshev filter responses, and tapered transmission lines following the methods of Klopfenstein and Hecken. Fixture calibration techniques also improved by necessity. The two-tier through-reflect-line (TRL) calibration method for rigorous test-fixture deembedding, first developed at the United States National Institute of Science and Technology (NIST), became the industry-standard method for precise and accurate reference-plane shifting.3 By 1997, it was possible for narrowband 500:1 VSWR impedance synthesis at 2 GHz or decade 10:1 impedance transformation spanning 800 MHz to 8 GHz for frequency-agile harmonic load-pull measurements.4
Still, some applications are not served by an impedance-transforming test fixture alone. By building on the theory advanced by its MPT line, Focus Microwaves implemented dynamic frequency-agile prematching capability, using one probe to provide a prematch function for a second probe. Alternative methods were offered by other load-pull tuner suppliers, based on corrugated-probe technology, in which a single probe contained a prematching element. This approach requires only one carriage, but suffers in terms of accuracy and dynamic bandwidth compared to the two-probe solution of the MPT approach.
In a passive load-pull tuner, the losses of the probes and interconnecting cables will set limits on the VSWR range possible. It is particularly evident at millimeter-wave frequencies, where insertion loss is even higher. At these higher frequencies, an active load-pull system, with its capability of compensating for those losses, is a better solution for on-wafer millimeter-wave applications. In millimeter-wave applications with high probe losses and residual reflection, the loss between the tuner reference plane and transistor or DUT reference plane will limit the maximum VSWR and the residual reflection will shift the maximum VSWR circle. This limited VSWR capability will impact cases where the low impedance of a standard silicon-germanium (SiGe) or silicon CMOS transistor may exhibit optimum impedance terminations near the edge of the Smith chart, at VSWR values that are beyond the range of a passive tuner that must also cope with probe and interconnecting cable mismatches and losses.
An active impedance tuner uses one of three architectures to launch a signal that has been shifted in amplitude and phase towards a DUT, creating a virtual load impedance based on signal-interference phenomena. The amplitude shift is arbitrary, within the range of an external signal source. It can also be scaled to account for the losses between the synthesis reference plane and transistor reference plane, to achieve a precise balance. This enables creation of a reflection coefficient equal to or greater than unity, with probe and cable losses effectively neutralized. This approach can provide an impedance at the transistor reference plane anywhere on the interior of a Smith chart, including its boundary.2
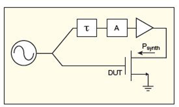
The first practical active load-pull system was based on a split-signal or feedforward architecture (Fig. 2).5 Because the apparent reflection coefficient (Γ) is a function of available power from the transistor, the amplitude and phase of the synthesized wave launched from the reference power amplifier towards the transistor must be precisely controlled to compensate for any instantaneous amplitude-modulation-amplitude-modulation (AM-AM) and AM-phase-modulation (AM-PM) behavior of the DUT. This approach offers unconditional impedance synthesis stability, although power control loops can always suffer some low-frequency oscillations.
2. This simple block diagram shows a feedforward active loop with signal sampling, phase shifting, and amplitude control used to synthesis an arbitrary waveform representing the reflected signal from a DUT.
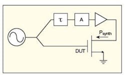
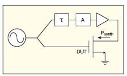
A feedback active load-pull architecture provided an improvement over the dynamic AM-AM and AM-PM issues of the feedforward approach (Fig. 3). By sampling the launched wave of the DUT after rather than before amplification, the feedback architecture eliminates the need for dynamic AM-AM and AM-PM compensation. However, because of the use of negative feedback, the potential for oscillation exists where the unity loop gain phase shift is 360 deg.
3. This simple block diagram shows a feedback active loop with signal sampling, phase shifting, and amplitude control used to synthesis an arbitrary waveform.
These active feedforward and feedback impedance synthesis approaches are known as split-signal and active-loop load-pull architectures. They offer considerable advantages in terms of measurement speed compared to mechanical, passive load-pull systems. By adding additional reference power amplifiers with sufficient bandwidth, active-loop systems can be extended to performing harmonic load-pull measurements. The active-loop architecture is not practical for source-pull measurements or use with wideband modulation and, if used for high-power load-pull testing, a large impedance mismatch exists between the low impedance that must be presented to the DUT and the 50-{Ω} characteristic impedance of the reference amplifier. To compensate for this mismatch loss, the power capability of the reference amplifier must be much larger than the peak-envelope-power (PEP) capability of the DUT. The cost of such a high-performance reference amplifier can pose a problem when trying to assemble a practical active-loop system for high-power load-pull measurements. But when cost is not a constraint, or unity magnitude reflection is required, or high load-pull throughput is required, a number of commercial load-pull systems are available at typical wireless frequency bands.6-8
A cost-efficient alternative to the active-loop approach is the proprietary active-injection HAILP architecture from Focus Microwaves (Fig. 4).9 It eliminates the requirement for an expensive, high-power, fundamental-frequency reference power amplifier and for multiple medium-power harmonic-frequency reference amplifiers. It relies on the firm’s MPT as a dynamic, frequency-agile, prematching element to reduce reference power amplifier PEP requirements. The MPT enables passive high-VSWR harmonic source-pull and load-pull measurement capability and eliminates the need for multiple harmonic sources and reference source and load amplifiers. The active-injection architecture can be scaled to arbitrary combinations of power and frequency. Figure 5 offers trajectories for various transistor load gamma magnitude versus reference PA power requirements, with each trajectory specifying the maximum load-pull power capability of the system.3
4. This block diagram illustrates the proprietary active-injection impedance-synthesis architecture used in the Focus Microwaves load-pull tuners.
5. This plot shows the active-loop reference-amplifier PEP requirements normalized to transistor load PEP versus minimum impedance at the transistor (DUT) reference plane.
What are the advantages of the active-injection load-pull approach? Consider an example: load-pull measurements on a 100-W, +28-VDC, silicon LDMOS transistor with optimum load impedance of 2 Ω for maximum power (Fig. 5). In an active-loop load-pull system, the reference power amplifier must deliver more than 600 W power, which is very expensive and relatively narrow in bandwidth capability. In contrast, an active-injection load-pull system with MPT prematched to 0.7 Omega;, a reference power amplifier with 200 W output power can be used. Obviously, the cost difference between the two load-pull system approaches can be considerable.
Not all load-pull approaches provide the same capabilities, as detailed in Tables 1 and 2. Table 1 offers a summary of the technical boundaries of each approach, while Table 2 shows different applications and how the three load-pull approaches compare. As Table 1 shows, there is much specification overlap among the passive, active-loop, and active-injection impedance-synthesis approaches. Primary differences are for parametric boundaries, such as loss compensation and measurement speed. System cost represents the largest differences among the approaches.
As Table 2 shows, passive impedance synthesis is the preferred architecture for the majority of applications, except for on-wafer millimeter-wave environments when probe losses must be neutralized. Other than when load impedance tuning speed is a concern, the passive approach is even preferred for ATE applications, where measurement throughput is important. The active injection approach is extremely competitive on cost, and offers benefits for high-power load-pull testing at common wireless frequency bands.
Load-pull measurement technology continues to evolve, gaining benefits from improvements in computers, software, and data-acquisition methods. Designers will gain additional power as integration of load-pull technology with commercial electronic-design-automation (EDA) software improves, and as time-domain optimization is increasingly applied as part of a design flow.
In summary, a number of different load-pull approaches are available. The different approaches are each capable of wide ranges of fundamental- and harmonic-frequency source and load impedance combinations for measurements from low-RF to millimeter-wave frequencies at DUT power levels in excess of 1 kW. Whether based on passive synthesis, active-loop synthesis, or active-injection synthesis, if they are properly applied, they should yield identical test results within measurement error. Test-system setup includes setting proper impedance terminations at all relevant mixing products. Differences in the three systems exist largely in terms of cost, measurement speed, and ease of use.
Focus Microwaves, Inc.
1603 St. Regis, Dollard-des-Ormeaux, Quebec, Canada H9B 3H7; (514) 684-4554, FAX: (514) 684-8581, www.focus-microwaves.com.
References
1. J. Cusack, S. Perlow, and B. Perlman, “Automatic load contour mapping for microwave power transistors,” IEEE Transactions on Microwave Theory and Techniques, Vol. MTT-22, 1972, pp. 1146-1152.
2. F. Terman, Radio Engineering, McGraw-Hill, New York, 1940.
3. R. Marks and D. Williams, NIST Multi-Cal User’s Manual, United States Government Publication, Boulder, CO, 1993.
4. J. Sevic, “Rigorous Two-Tier TRL De-Embedding of a 500:1 VSWR Quarter-Wave Pre-Matching Test-Fixture for Automated Load-Pull,” Proceedings of the Winter Automatic RF Techniques Group, December 1997, pp. 56-65.
5. Y. Takayama, “A new load-pull characterization method for microwave power transistors,” IEEE MTT-S International Microwave Symposium Digest, June 1976, pp. 218-220.
6. C. Tsironis, “Active-Loop Application Note,” Focus Microwaves (www.focus-microwaves.com), 2012.
7. Measuro Ltd., “Mesuro Active Load-Pull Application Note,” www.mesuro.com, Cardiff, UK, 2011.
8. Anteverta Microwave (www.anteverta-mw.com), “Mixed-Signal Active Load-Pull Application Note,” 2011.
9. C. Tsironis, United States Patent No. 7,135,941, 2009, assigned to Focus Microwaves, Montreal, CA.
10. J. Sevic and M. Steer, The Load-Pull Method of RF and Microwave PA Design, SciTech: Raleigh, NC, 2013.
This file type includes high resolution graphics and schematics when applicable.
About the Author

Leaders relevant to this article:








