Tiny Microstrip Antenna Covers WLAN, LTE, and WiMAX
Download this article as a .PDF
Growing use of radio/wireless technology creates greater demand for small, efficient, and low-cost antennas in a range of telecommunications and wireless local area network (WLAN) applications, as well as worldwide interoperability for microwave access (WiMAX), satellite communications (satcom), and spacecraft.1 Desirable properties for such an antenna include mechanical durability, conformability, low cross-polarized radiation patterns, and economical fabrication.
Microstrip patch antennas became well received in wireless communications systems due to their low cost of fabrication and effectiveness in those systems.2 With the increasing number of wireless applications, an antenna for wireless communications must also operate across multiple frequencies, so that it can be used for a number of different applications at the same time.3 Several different antenna designs have been proposed and published for wireless communications systems, including WLAN, LTE, and WiMAX applications.4-20
The main drawback of microstrip antennas is their narrow bandwidth. Classical microstrip antennas yield a maximum bandwidth of about 8%. A number of approaches have been developed to overcome this limit,21-27 with a great deal of research on microstrip being performed by the current authors.
In ref. 28, for example, a broadband stacked U-slot microstrip patch antenna was presented. The single U-shaped slot is added based on a circuit theory concept to provide dual-band broadband characteristics. In this case, adding the U-shaped slot in the patch enhances bandwidth by 33.52%. In ref. 29, a broadband high-gain microstrip patch antenna with a slot was proposed. A dual-band characteristic was obtained by using a double U-slot in the patch. The antenna has a 37% impedance bandwidth.
In ref. 30, the design of a broadband printed microstrip antenna for WLAN and WiMAX application was presented, in which two parasitic elements are printed in the ground plane to enhance antenna performance. In ref. 31, a novel dual-band antenna with two U-shaped slots was presented. By using two slots, the dual-band characteristics are obtained. Using two L-shaped slot in the ground plane enhanced the antenna’s bandwidth. This antenna is suitable for WLAN and WiMAX applications.
Doing a Triple Take
Through the insertion of two symmetrical U-shaped slots, a triple-band microscript antenna was designed and fabricated. It can provide three operating frequency bands for use in 2.45-GHz WLAN networks; at 2.60 GHz for LTE operation; and at 3.69 GHz for WiMAX use. The proposed antenna has low VSWR and achieves good radiation pattern characteristics. Simulations were performed by means of commercial computer-simulation-technology (CST) software.
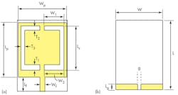
1. This is the structure of the proposed multiple-band wireless communications antenna: (a) front view and (b) rear view.
The proposed antenna is designed using FR4 as the substrate, which has a relative permittivity of 4.3. Dimensions of the antenna are 30 × 40 × 0.8 mm3. The patch is easily fed using a 50-Ω microstrip feed line. A rectangular radiation patch with a U-shaped slot is used on the top face of the substrate. To enhance the bandwidth and create extra notch (more than in ref. 18), the position, thickness, and lengths of the double U-shaped slot are fixed. Figure 1 shows the dimensions of the proposed antenna, while Table 1 presents the values of the dimensions.
To understand the behavior of the band-notched characteristics, the simulated current distributions of the proposed antenna at each resonant frequency are shown in Figure 2. The current distribution at 2.45 GHz is shown in Fig. 2a, at 2.6 GHz in Fig. 2b, and at 3.69 GHz in Fig. 2c.
2. The current distributions of the proposed multiple-band antenna are shown for (a) 2.45 GHz, (b) 2.60 GHz, and (c) 3.69 GHz.
In Fig. 2a, the current is mainly concentrated at the gap between the two U-shaped slots above the feed line. At 2.60 GHz, Fig. 2b shows that the current is mainly concentrated at the gap between the two U-shaped slots at the upper side, and around the lower U-shaped slot. At 3.69 GHz, Fig. 2c shows that the current is concentrated at the upper and lower gaps between the two U-shaped slots.
Figure 3 illustrates the simulated return loss of the proposed antenna for different widths of g, which represents the width of the gap. The width of the gap introduced in the ground plane affects each resonant frequency—at 2.45, 2.60, and 3.69 GHz—and can increase or decrease the S11 magnitude in dB. It may also cause a shift in the resonant frequency at 3.69 GHz, as shown in Fig. 3.
3. The return loss of the proposed antenna is simulated here for various values of gap width, g.
Figure 4 presents the simulated return loss of the proposed antenna for various values of W1. As shown, the length of W1 affects the resonant frequency at 2.60 GHz, while there is little effect on the resonant frequency at 2.4 GHz, which is in agreement with the current distribution shown by Fig. 2b.
4. The return loss of the proposed antenna is simulated here for various values of W1.
Figure 5 offers the simulated return loss of the proposed antenna for various values of W2. It is apparent that the length of W2 affects the resonant frequency at 2.45 GHz, while there is little effect on the resonant frequency at 2.60 GHz, in agreement with the current distribution at Fig. 2a.
5. The return loss of the proposed antenna is simulated for various values of W2.
The Gap Effect
In an attempt to enhance the antenna’s performance, a gap was introduced into the ground plane, as shown in Fig. 1a. The effect of this gap on the return loss of the proposed antenna is shown in Figure 6. Performance of the proposed antenna before and after the gap is created is provided in Table 2. As can be seen from the results, the gap has a positive effect on return-loss performance at the operating frequencies.
6. The simulated return loss of the proposed antenna is shown with and without the gap in the ground plane; the former helps enhance performance.
Figure 7 plots the simulated S11 performance of the proposed antenna as a function of frequency, using CST software for the simulation. This antenna has three different operating frequencies, with center frequencies of 2.45, 2.60, and 3.69 GHz. Its return-loss performance determines the impedance-matching properties of the antenna, showing how efficiently the antenna is transmitting/receiving electromagnetic (EM) energy over a particular band of frequencies.
7. The simulated S11 performance of the proposed antenna is plotted here as a function of frequency.
Figure 8 plots the projected bandwidth of the proposed antenna. The fractional bandwidth (FBW) is the ratio of the difference of the upper and lower frequencies of acceptable operation to the center frequency of the band multiplied by 100.19
8. This plot projects the bandwidth of the proposed triple-center-frequency antenna.
The bandwidth (BW) of the antenna can be found from 4.0531 – 2.1711 GHz = 1.882 GHz. The fractional bandwidth at 2.45 GHz is found from BW/2.45 = (1.882/2.45)100% = 76.81%. The fractional bandwidth at 2.60 GHz is found by BW/2.60 = (1.882/2.60)100% = 72.38%. The fractional bandwidth at 3.69 GHz is found by BW/3.69 = (1.882/3.69)100% = 51.00%.
Figure 9 shows the VSWR of the proposed antenna. Its VSWR is a measure of how well impedance-matched an antenna is to the impedance of the cable connecting the antenna to the system. A perfectly matched antenna would have a VSWR of 1:10. As can be seen in Fig. 4, the VSWR of the proposed antenna is equal to 1 at each operating center frequency. This indicates that the proposed antenna has good impedance matching.
9. The simulated VSWR of the proposed antenna design shows good impedance match at its three operating frequencies.
The radiation pattern of the proposed antenna was simulated using CST software. Figure 10 shows the simulated radiation patterns of the proposed antenna in the E-plane and H-plane at 2.45, 2.60, and 3.69 GHz. As illustrated in Fig. 5, the antenna has a bidirectional radiation pattern at its E- and H-planes. The measured directivities of the proposed antenna at 2.45, 2.60, and 3.69 GHz are 2.45, 2.55, and 4.24 dBi, respectively.
10. These are the simulated radiation patterns in the E- and H-planes for the proposed antenna design at (a) 2.45 GHz, (b) 2.60 GHz, and (c) 3.69 GHz.
The proposed antenna can provide sufficient gain and stable radiation patterns at those three center frequencies, making it suitable and preferred for various wireless communication systems. Table 3 offers a comparison between the proposed antenna and other related components in term of size, relative permittivity, bandwidth, and operating frequency.
A wideband microstrip patch antenna using a dual U-slot with low profile has been proposed, and was simulated by means of CST software. The U-slot technique can be used to design and fabricate multiple-band rectangular patch antennas. Through the precise positioning of the slot in the patch, triple-band resonant modes are achievable. The antenna’s performance is enhanced by adding a gap in the ground plane. The VSWR of the proposed antenna at each operating frequency is equal to 1, indicating that the antenna exhibits good impedance matching at those frequencies. The simulated results showed that the antenna would be effective in WLAN, LTE cellular, and WiMAX applications.
Acknowledgments
The authors wish to thank the German Research Foundation (DFG) for financial support. The authors also thank M. Sc. Engineering Sonja Boutejdar, Mehdi Boutejdar, Karim Boutjdir, and Mohamed Boutejdar for their help, and Mr. Harald Dempewolf, the lab manager of the Institute for Electronics, Signal Processing and Communication (IIKT) at the University of Magdeburg, Germany, for his support.
Ahmed Boutejdar, Associate Professor and Researcher
German Research Foundation
Department of Electrical Engineering
Bonn-Braunschweig, Germany
Mohammad A. Salamin, Engineer - Researcher
Department of Electrical Engineering
University of Palestine, Palestine
Soumia El Hani, Professor and Researcher
ENSET BP 6207
Mohammed V University, Rabat, Morocco
Larbi Bellarbi, Professor and Researcher
CR-STIS Laboratory ENSET/ENSIAS,
Mohammed V University, Rabat, Morocco
Amal AfyfLarbi Bellarbi, Ph. D. - Researcher
CR-STIS Laboratory ENSET/ENSIAS,
Mohammed V University, Rabat, Morocco
References
- C.A. Balanis, Antenna Theory, Wiley, New York, 1997.
- S. Drabowitch, A. Papiernik & Smith, Modern Antennas, Springer, New York, 2005.
- X. F. Shi, Z. H. Wang, H. Su, and Y. Zhao, “A H-Type Microstrip Slot Antenna in Ku-band Using LTCC Technology with Multiple Layer Substrates,” Second International Conference on Mechanic Automation and Control Engineering (MACE), Hohhot, pp. 7104-7106, 15-17 July 2011.
- Ahmed Boutejdar, Ahmed A Ibrahim, and Edmund P Burte, A Compact Multiple Band-Notched Planer Antenna with Enhanced Bandwidth Using Parasitic Strip Lumped Capacitors and DGS-Technique, Indonesian Journal of Electrical Engineering and Computer Science, Vol. 13, No. 2, February 2015
- P. Tendolkar, A. Shah, and A. Jeyakumar, “Study of CPW-Fed Slot Antenna for UWB Application,” International Journal of Innovative Research in Computer and Communication Engineering, Vol. 3, No. 4, April 2015.
- ] X. Zhou, X. Quan, and Rong Lin Li,“A Dual-Broadband MIMO Antenna System for GSM/UMTS/LTE and WLAN Handsets,” IEEE Antennas and Wireless Propagation, Vol. 11, 2012.
- Y. Song, Y.-C. Jiao, G. Zhao, and F.-S. Zhang, “Multiband CPW-FED Triangle-Shaped Monopole Antenna for Wireless Applications,” Progress in Electromagnetics Research, PIER 70, 329–336, 2007.
- D. Parkash, “Design and Development of Coplanar-Waveguide-Fed Microstrip Antenna for Wlan/Wimax Applications,” Progress in Electromagnetics Research C, Vol. 17, 17-27, 2010.
- A. K. Gautam, S. Yadav, and B. K. Kanaujia, “A CPW-Fed Compact UWB Microstrip Antenna,” IEEE Antennas and Wireless Propagation Letters, Vol. 12, 2013.
- Pawan Kumar, Malay Ranjan Tripathy, and H.P. Sinha, Wide Band CPW Fed Slotted Microstrip Antenna, Indonesian Journal of Electrical Engineering and Computer Science, Vol. 15, No. 1, July 2015.
- A. A. Ibrahim, M. A. Abdalla, and A. Boutejdar, “Hybrid Technique for Dual-Band Notched UWB Monopole Antenna,” Microwaves & RF, Vol. 55, No. 6, 2016, pp. 12-19, 2016.
- J. R. Kelly, P. S. Hall, and P. Gardner, “Band-Notched UWB Antenna Incorporating a Microstrip Open-Loop Resonator,” IEEE Transactions on Antennas and Propagation, Vol. 59, No. 8, August, 2011.
- J. Malik and M. V. Kartikeyan, “Stacked equilateral triangular patch antenna with Sierpinski gasket fractal for WLAN applications,” Progress In Electromagnetics Research Letters, Vol. 22, 71-81, 2011.
- J. Malik and M. V. Kartikeyan, “Metamaterial inspired patch antenna with L-shape slot loaded ground plane for dual band (WiMAX/WLAN) applications,” Progress in Electromagnetics Research Letters, Vol. 31, 35-43, 2012.
- W. Hu, Y. Z. Yin, X. Yang, and P. Fei, “Compact multiresonator-loaded planar antenna for multiband operation,” IEEE Transactions on Antennas and Propagation, Vol. 61, No. 5, 2838–2841, 2013.
- Sana Ahmed, Farooq A. Tahir, A. Shamim, and Hammad M. Cheema, “A Compact Kapton-based Inkjet Printed Multiband Antenna for Flexible Wireless Devices,” IEEE Antennas and Wireless Propagation Letters, 2015.
- Shan Huang, Jun Li, and Jian Zhong Zhao, “A Novel Compact Planar Triple-Band Monopole Antenna for WLAN/WiMAX Applications,” Progress In Electromagnetics Research Letters, Vol. 50, 117–123, 2014.
- Ahmed A. Ibrahim, Mahmoud A. Abdalla, and Ahmed Boutejdar, “A Printed Compact Band-Notched Antenna Using Octagonal Radiating Patch and Meander Slot Technique for UWB Applications,” Progress In Electromagnetics Research M, Vol. 54, 153–162, 2017.
- Mohammad Aneesh, Mohd. Gulman Siddiqui, Jamshed Aslam Ansari, Ashish Singh, and Km. Kamakshi, Inset Feed Toppled H-Shaped Microstrip Patch Antenna for PCS/WiMAX Application, Indonesian Journal of Electrical Engineering and Computer Science, Vol. 1, No. 2, February 2016.
- K. Sürmeli and B. Türetken, “U-slot Stacked Patch Antenna Using High and Low Dielectric Constant Material Combinations in S-band,” IEEE, 2011.
- Ahmed Boutejdar and B. Edmund, “Novel Microstrip Antenna Aims at UWB Applications,” Microwaves & RF, Vol. 54, No. 7, 2015, pp. 8-14.
- M. A. Abdalla, A. A. Ibrahim, and A. Boutejdar, “Resonator Switching Techniques for Notched Ultra-wideband Antenna in Wireless Applications,” IET Microwaves, Antennas & Propagation, Vol. 9, No. 13, 2015, pp. 1468-1477.
- A. Boutejdar and W Abd Ellatif, “A novel compact UWB monopole antenna with enhanced bandwidth using triangular defected microstrip structure and stepped cut technique,” Microwave and Optical Technology Letters, Vol. 58, No. 6, 2016, pp. 1514-1519.
- C. C. Chong, F. Watanabe, and H. Inamura, “Potential of UWB Technology for the next Generation Wireless Communications,” IEEE Ninth International Symposium on Spread Spectrum Techniques and Application, 2006.
- S. Weigand, G.H. Huff, K.H. Pan, and J. T. Bernhard, “Analysis and Design of Broad-band Single Layer Rectangular U-slot Microstrip Patch Antennas,” IEEE Transactions on Antennas and Propagation, Vol. 51, No. 3, November 2003.
- R. Bhalla and L. Shafai, “Resonance Behavior of Single U-slot Microstrip Patch Antenna,” Microwave and Optical Technology Letters, Vol. 32, No. 5, March 5 2002, pp. 333-335.
- Sunil Kumar, N.S. Beniwal, and D. K. Srivastava, “Bandwidth Enhancement by slot loaded Patch Antenna for GPS/WLAN/WiMAX Applications,” International Journal of Advanced Research in Computer and Communication Engineering Vol. 3, No. 1, January 2014.
- J. A. Ansari and R. B. Ram, “Broadband Stacked U-slot Microstrip Patch Antenna,” Progress In Electromagnetics Research Letters, Vol. 4, 2008, pp. 17-24.
- S. Mishra and O. S. Hada, “Broadband Microstrip Patch Antenna using Slot,” International Journal of Computer Application (0975-8887), Vol. 108, No. 6, December, 2014.
- Y. E. M. Ali and K. A. S. Jasim, “Design of Broadband Microstrip Patch Antenna for WLAN/WiMAX Applications,” Al-Rafidain Engineering, Vol. 23, No. 1, February 2015.
- Y. Zimu, Z. Hou, Z. Leiming, and W. An, “A U-shaped Slot Antenna for WLAN and WiMAX Applications,” Progress in Electromagnetic Research Symposium, China, August 25-28, 2014.















